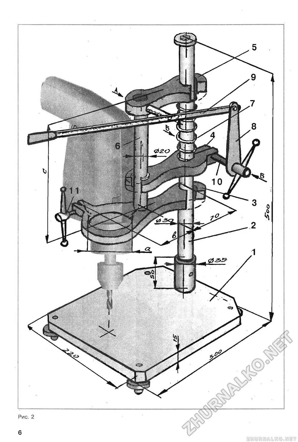
Сделай устройство