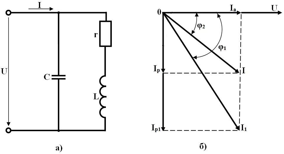
Сдвиг фазы конденсатором