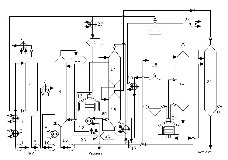
Селективного экстракт