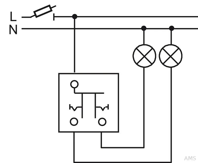
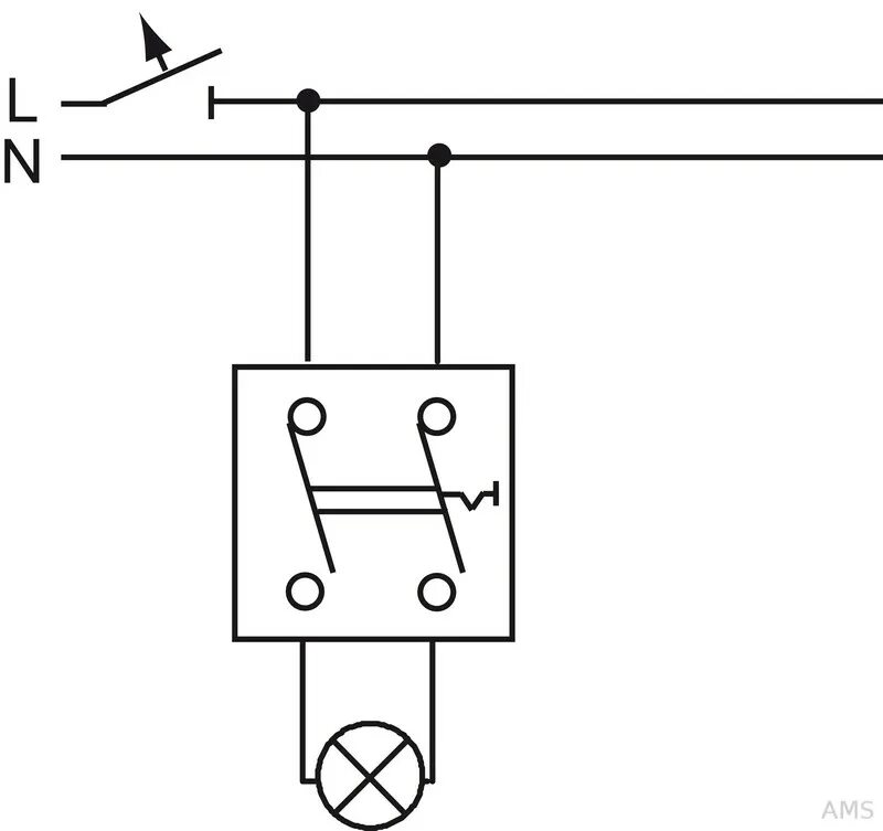
Схема 2 выключателя 1