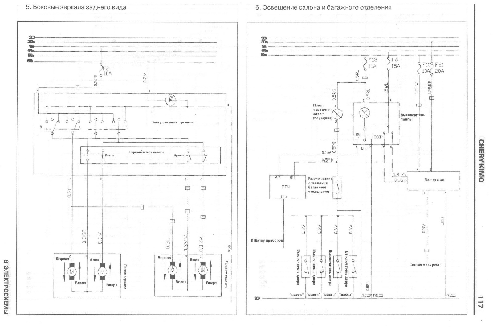
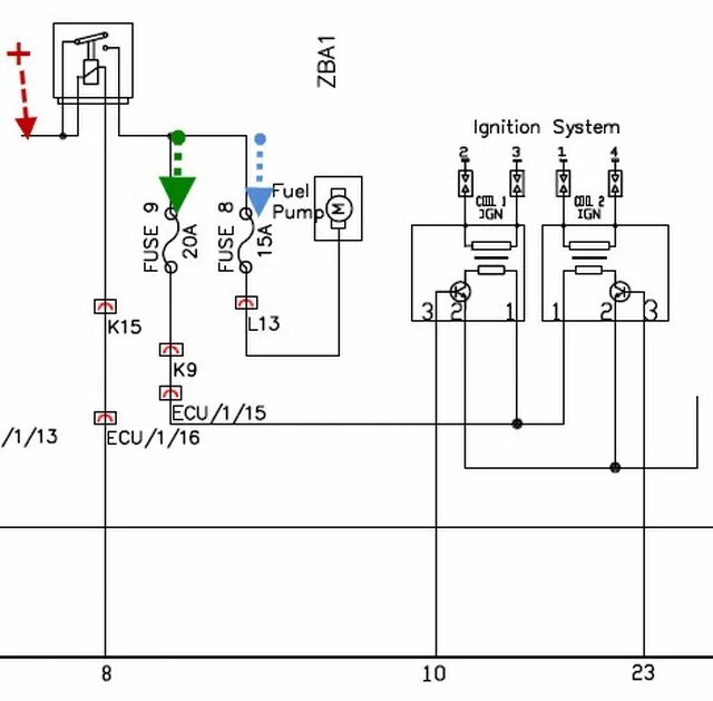
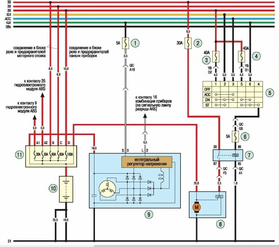
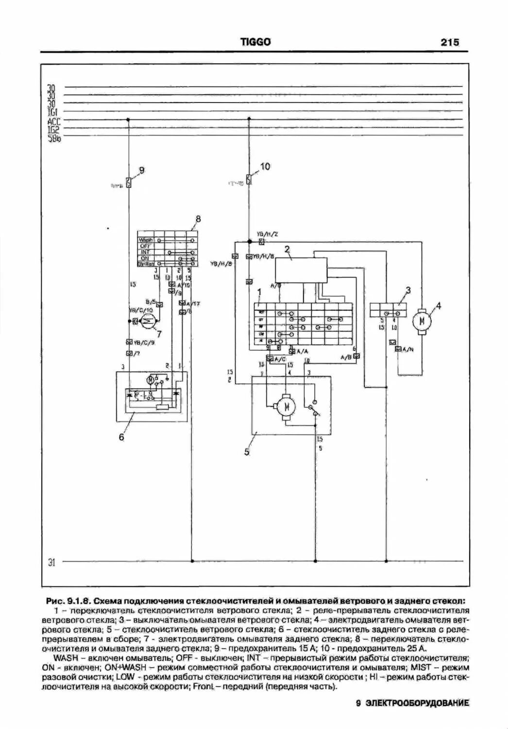
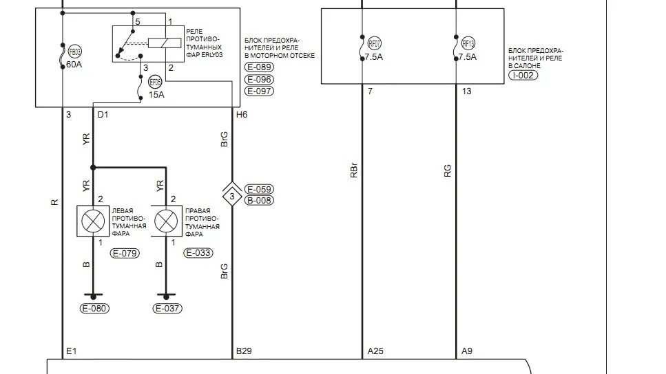
Схема чери тигго