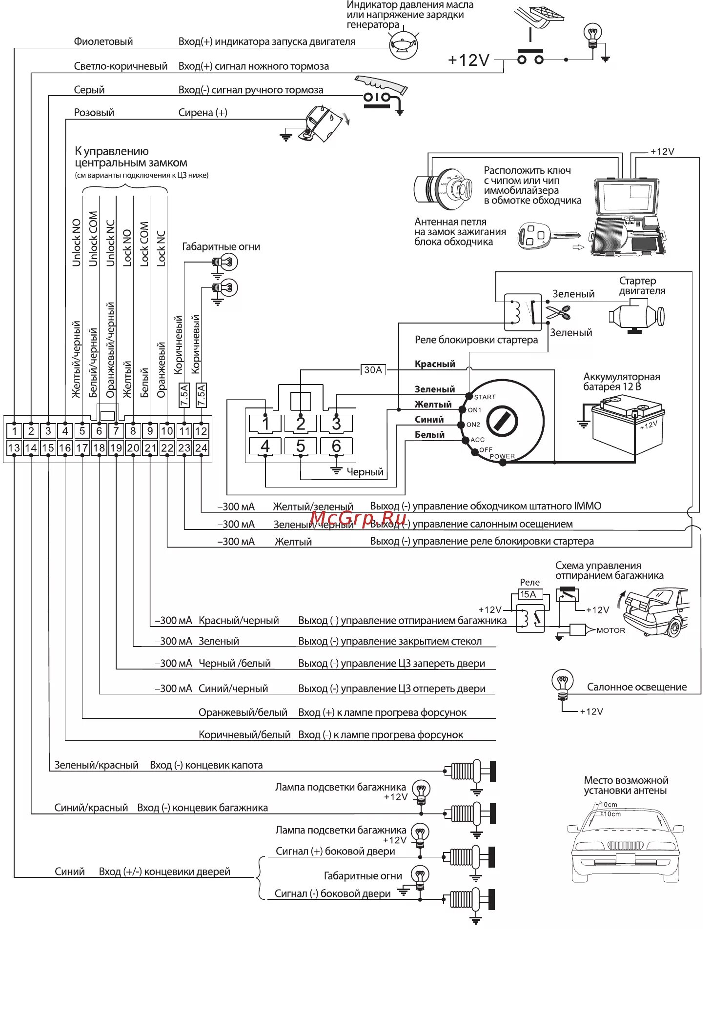
Схема davinci