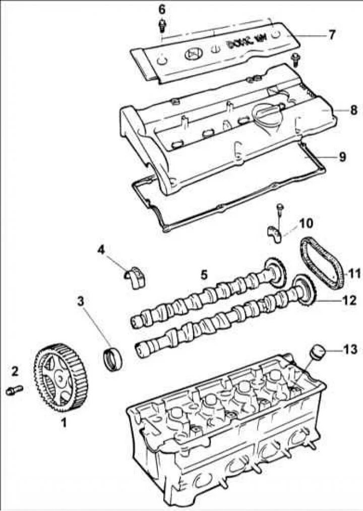
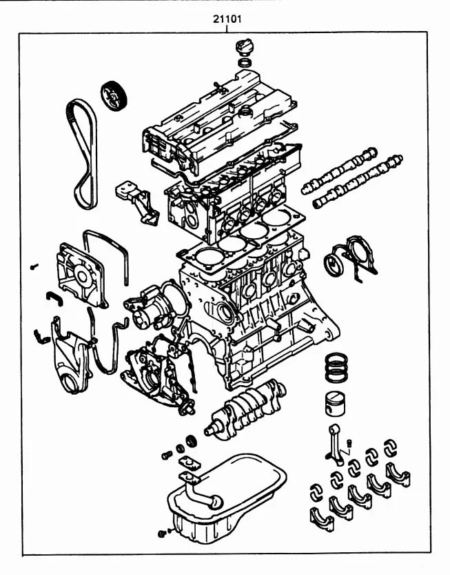
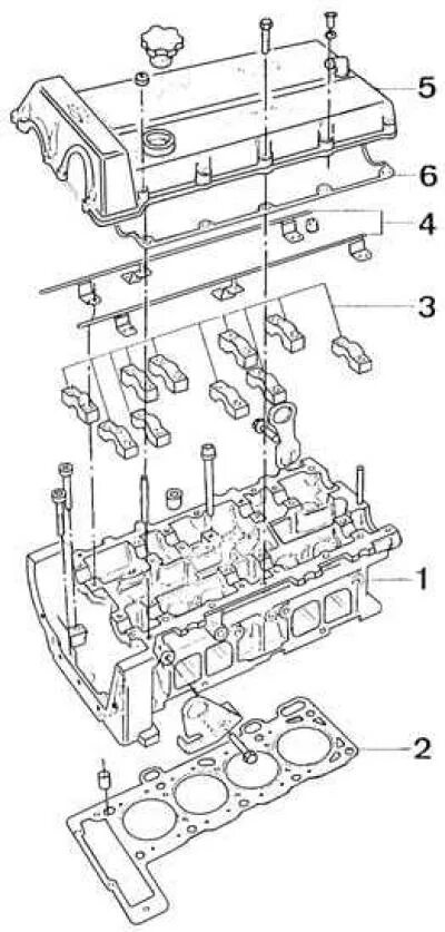
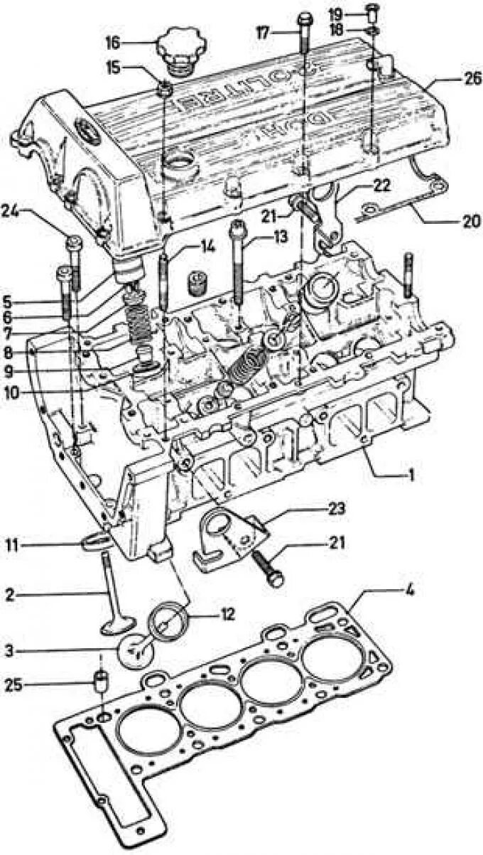
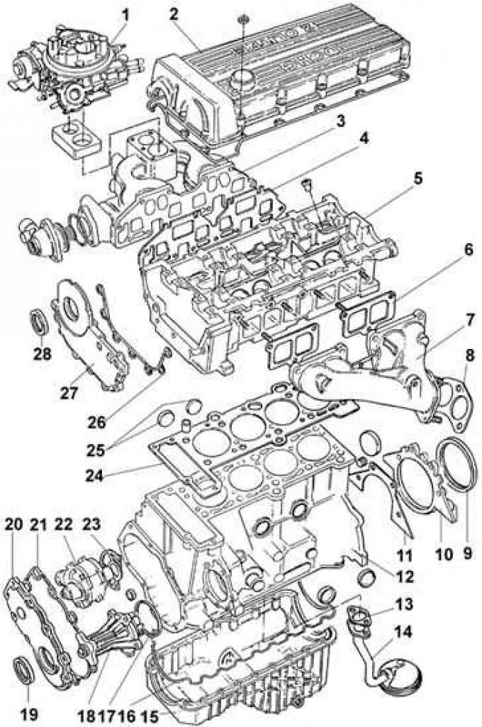
Схема dohc