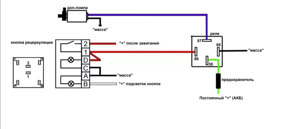
Схема доп реле