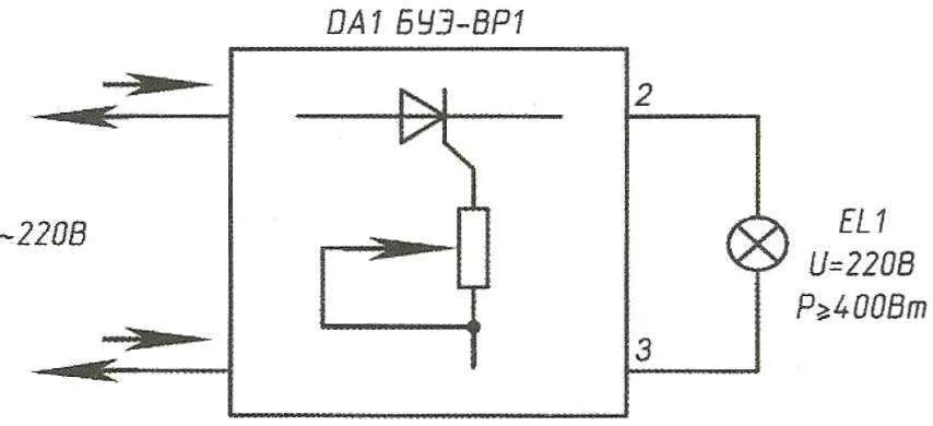
Схема дрели