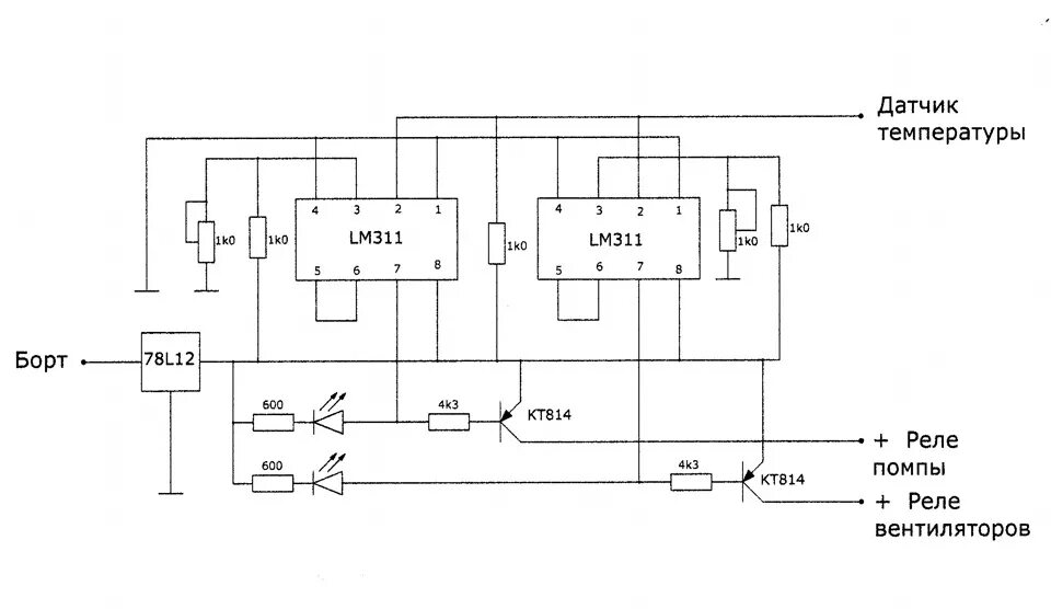
Схема электропомпы