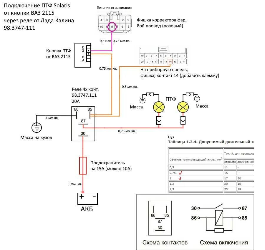
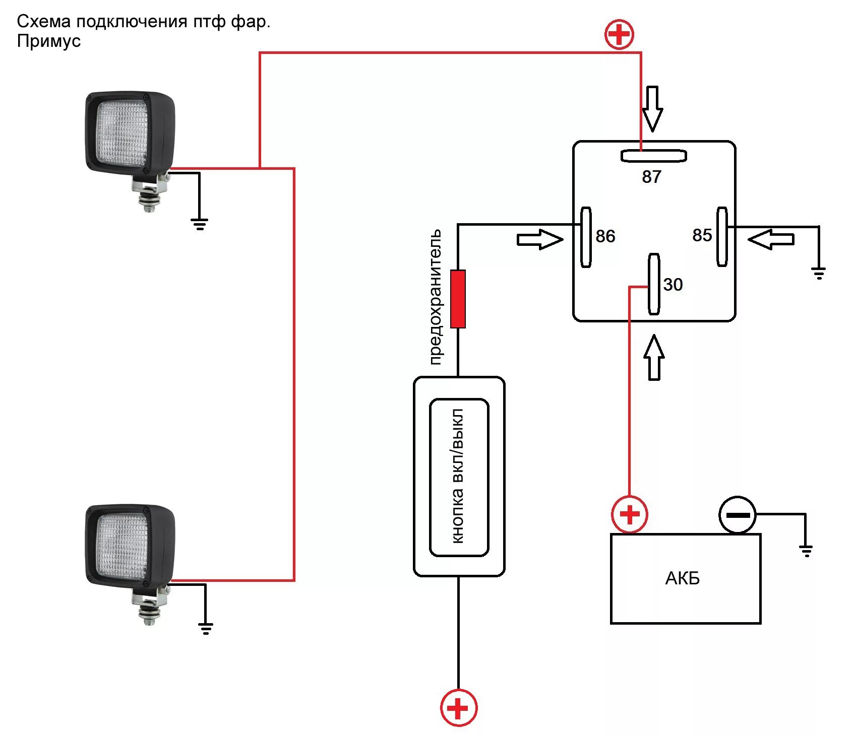
Схема фара кнопка с подсветкой