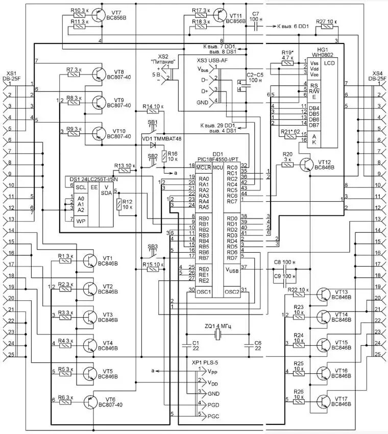
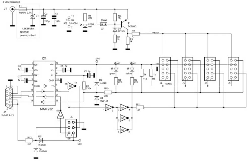
Схема фс