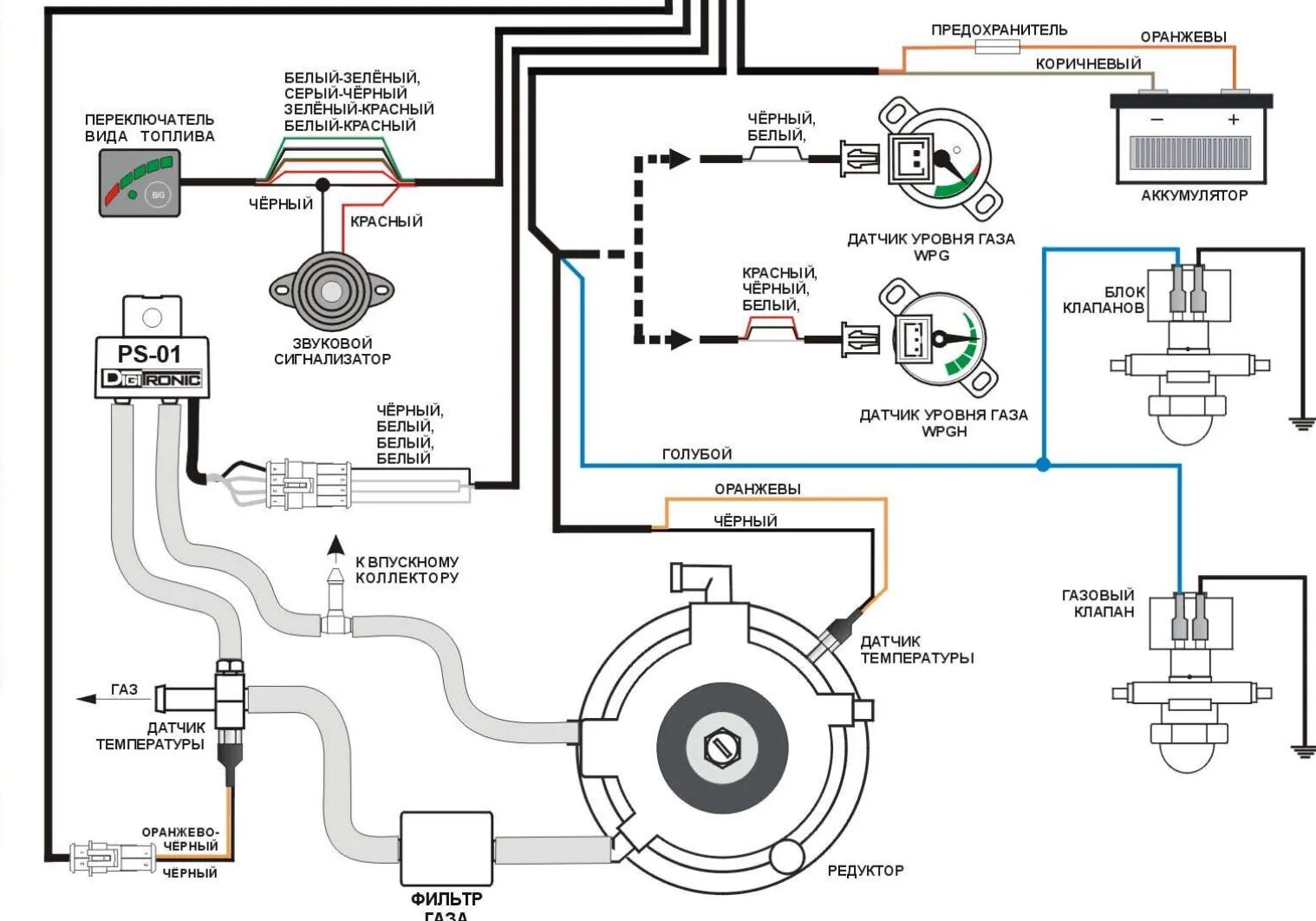
Схема гбо 2 поколения инжектор