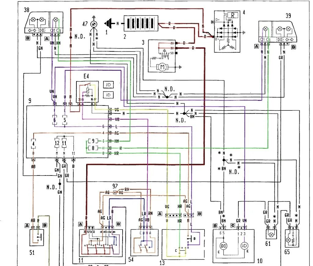
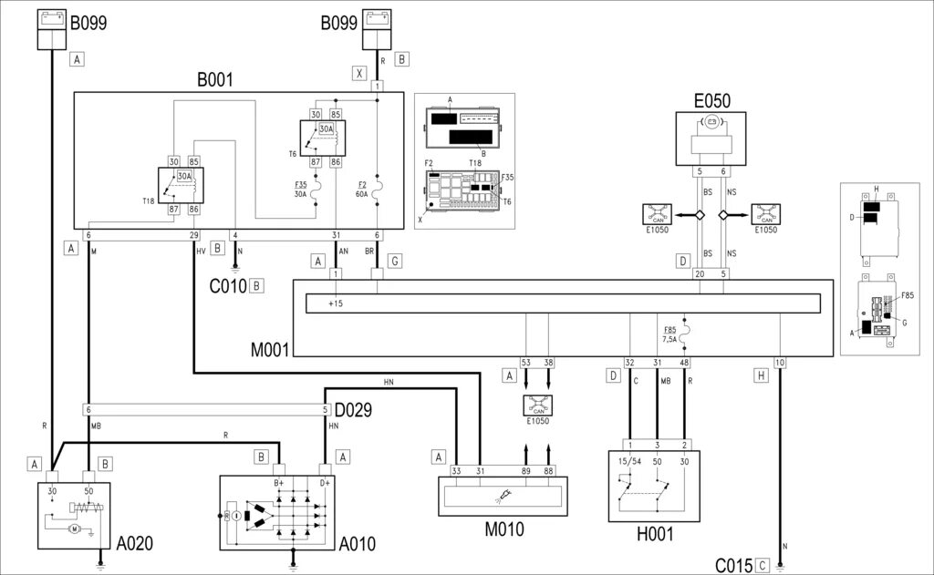
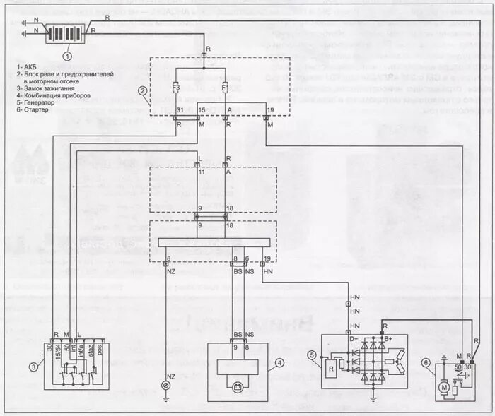
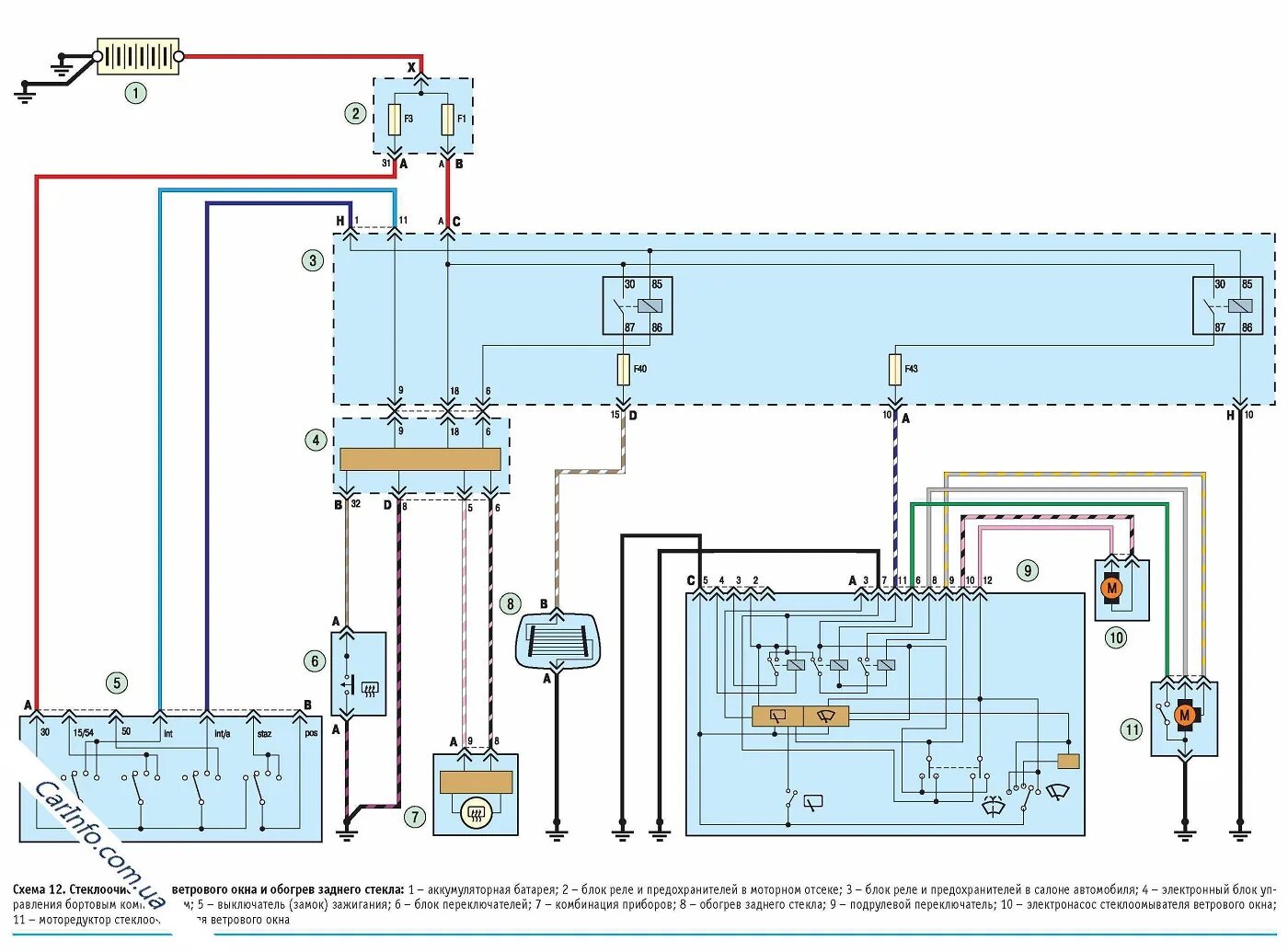
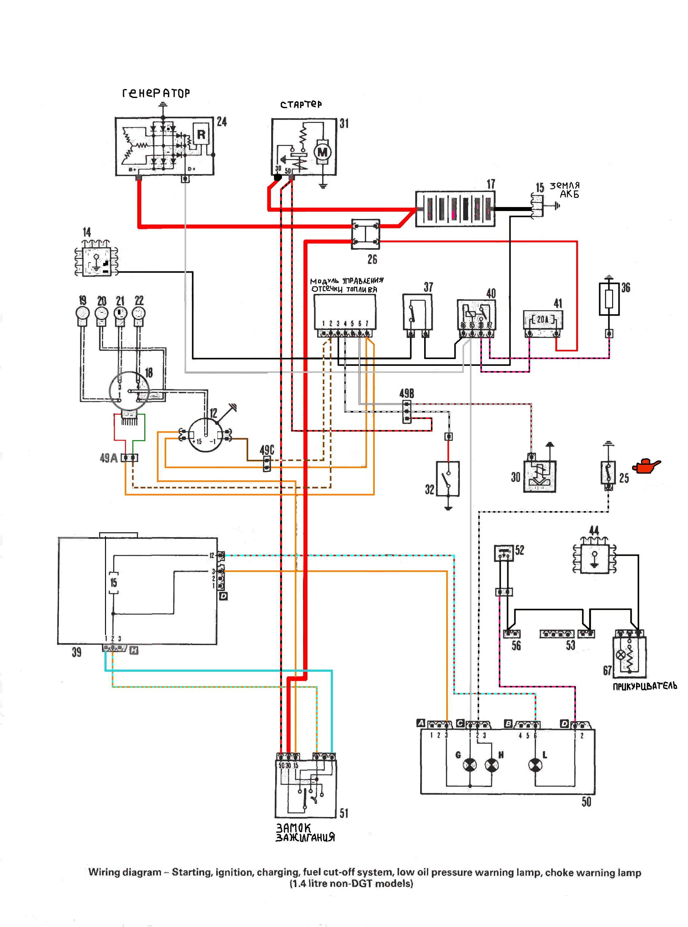
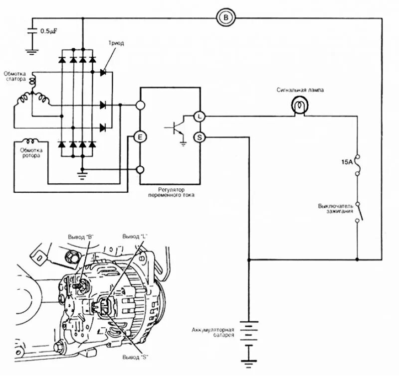
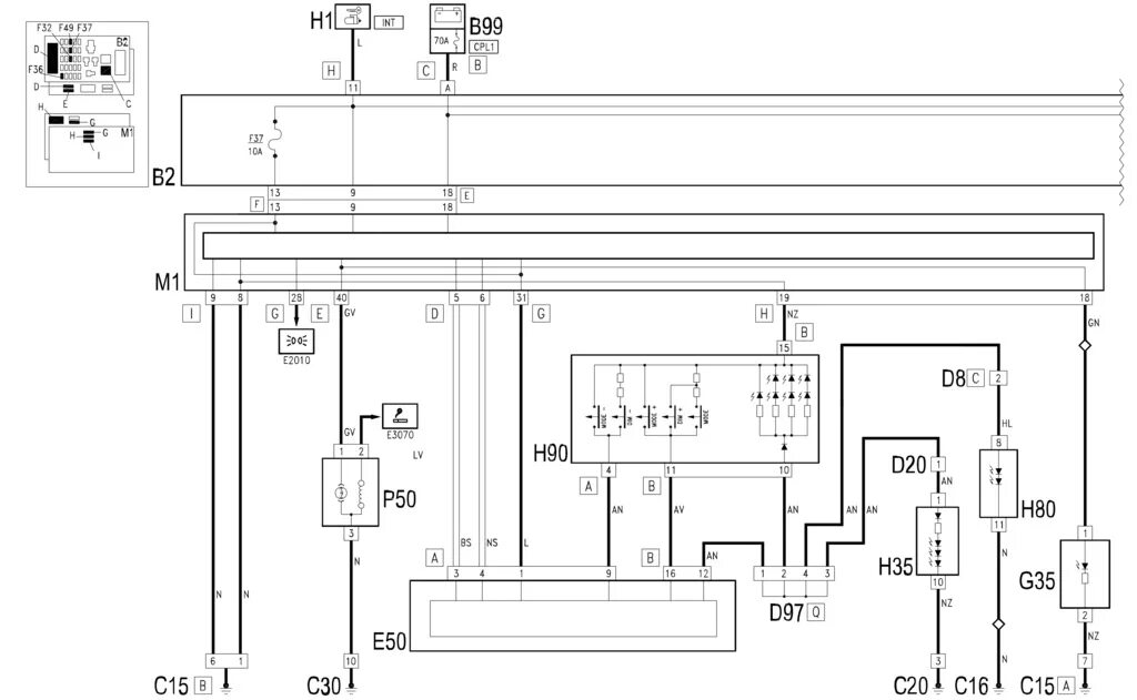
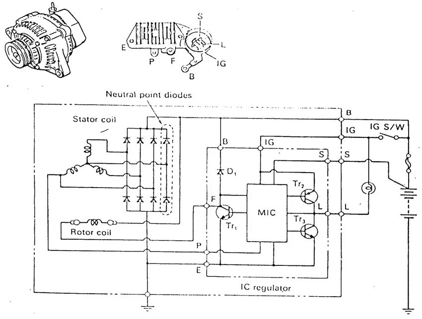
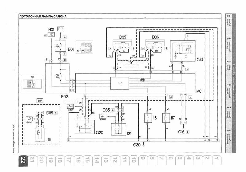
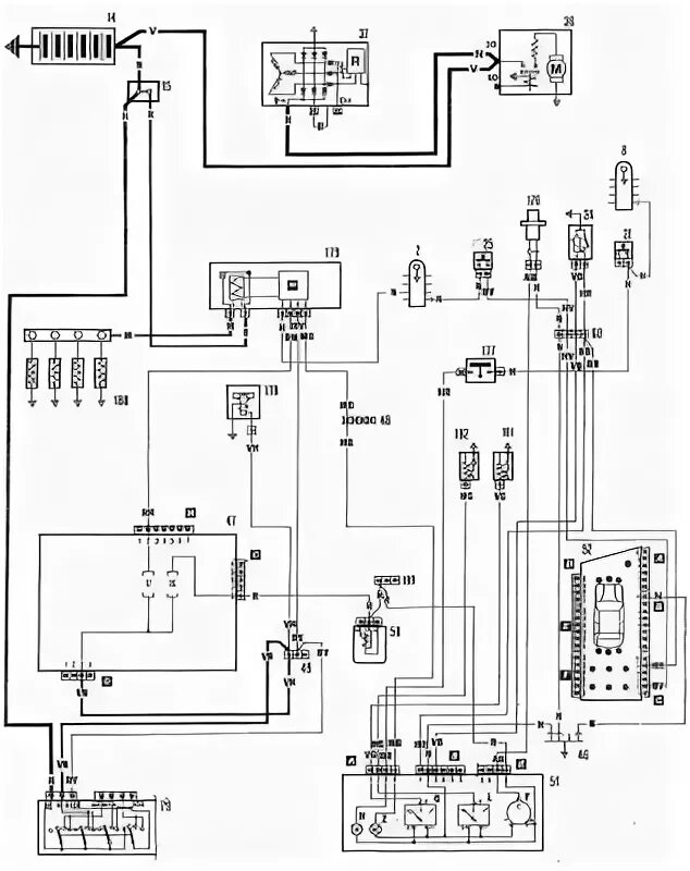
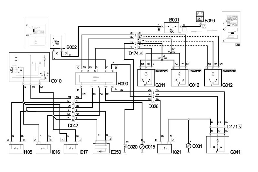
Схема генератора фиат