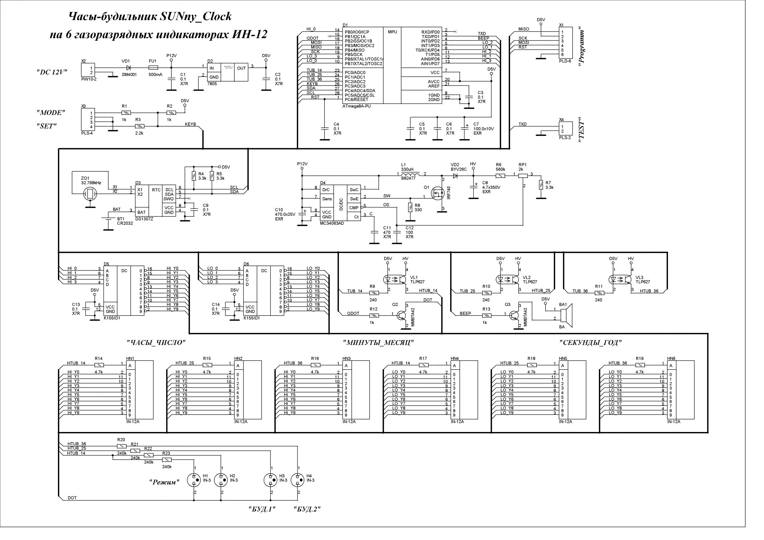
Схема гри