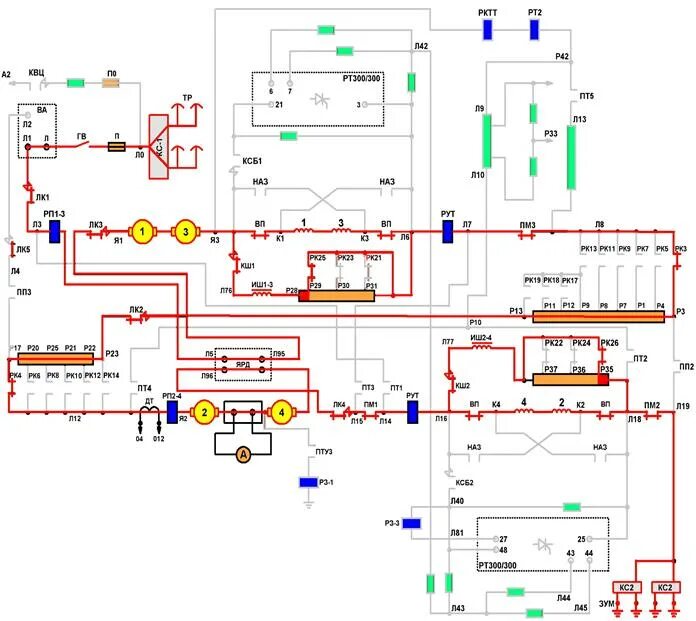
Схема ход 1