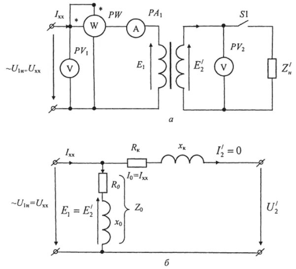
Схема холостого хода трансформатора