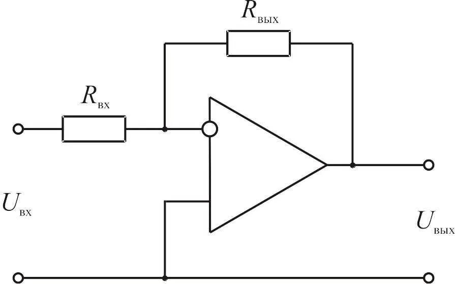
Схема инвертирующего операционного усилителя