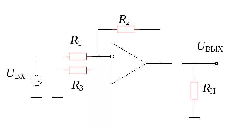
Схема инвертирующего оу