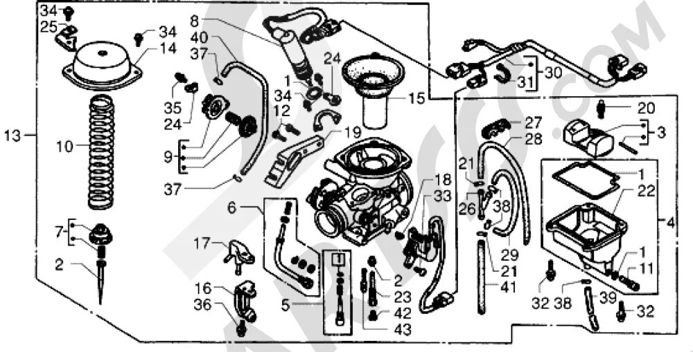
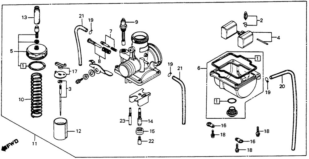
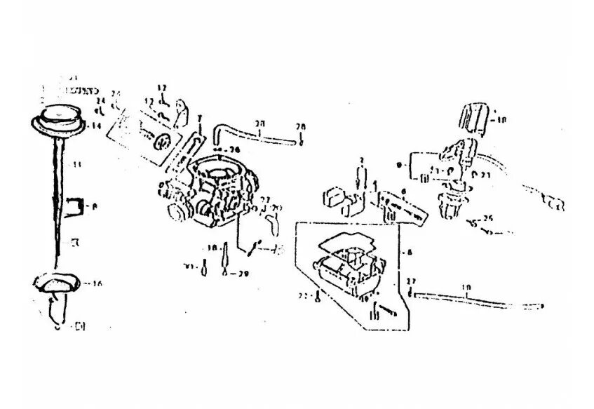
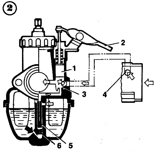
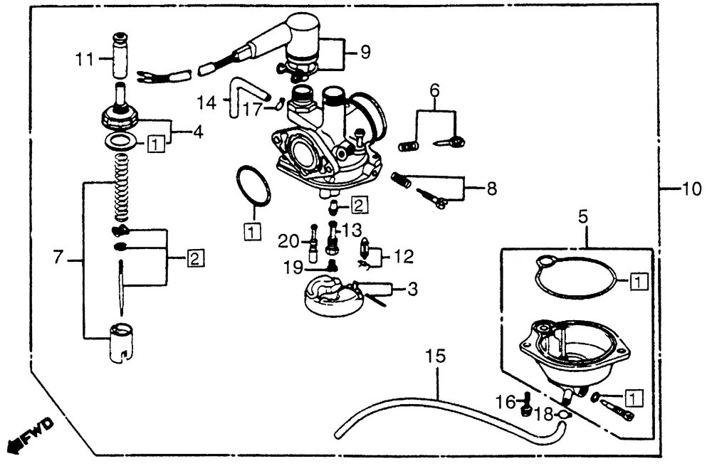
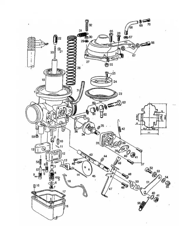
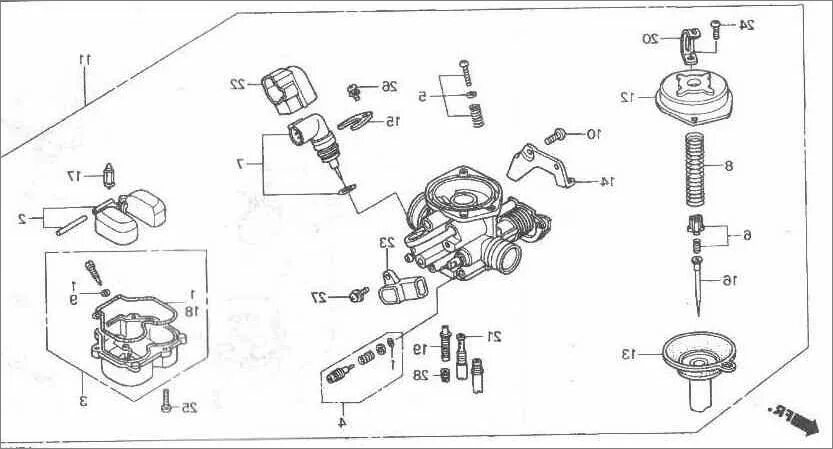
Схема карбюратора мопеда