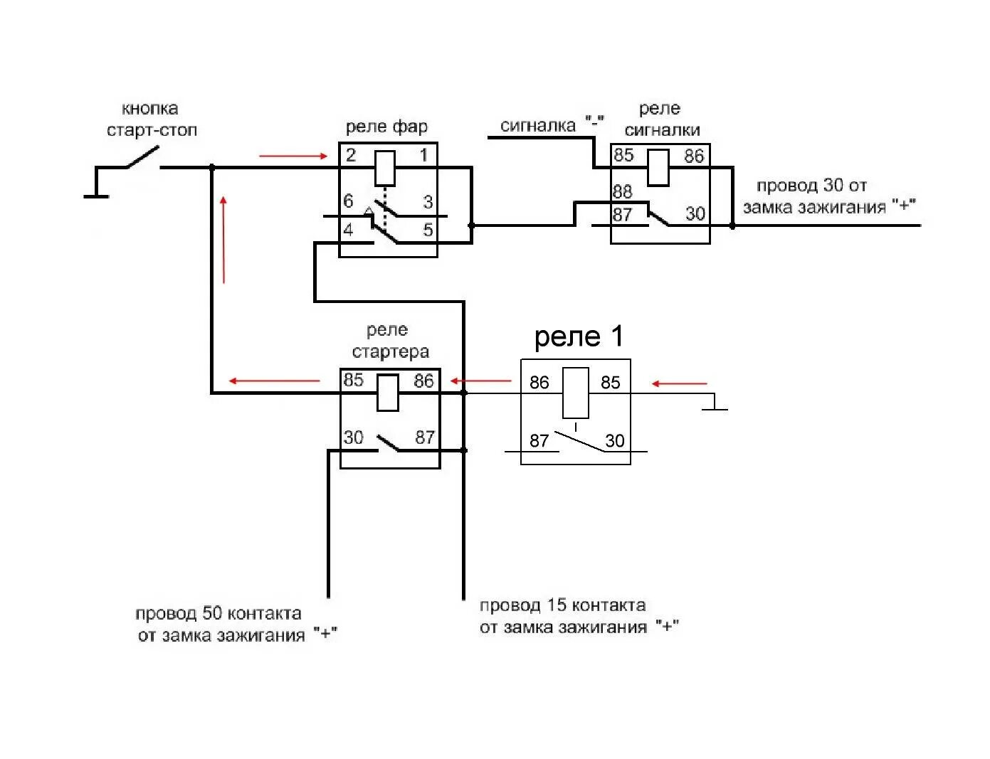
Схема кнопка стартера