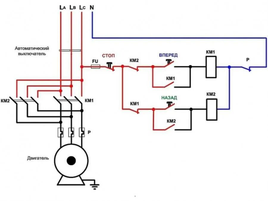
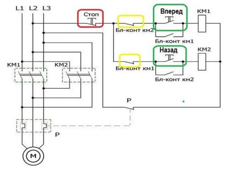
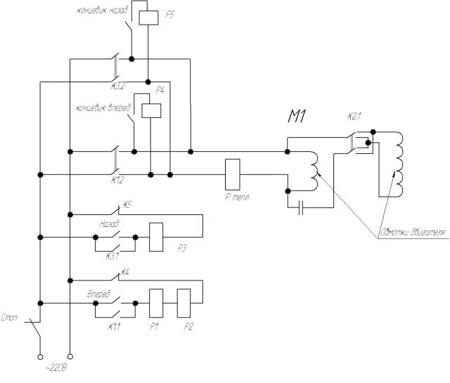
Схема кнопки реверс