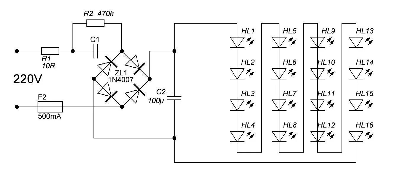
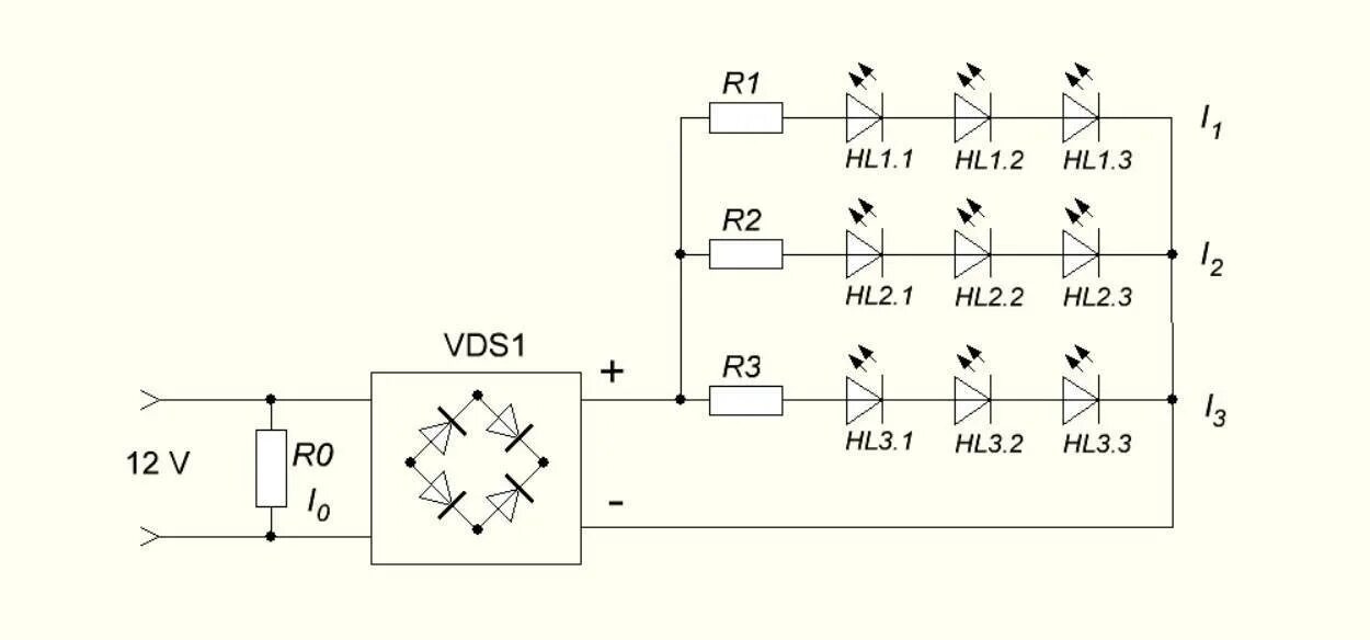
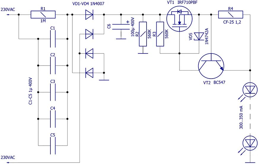
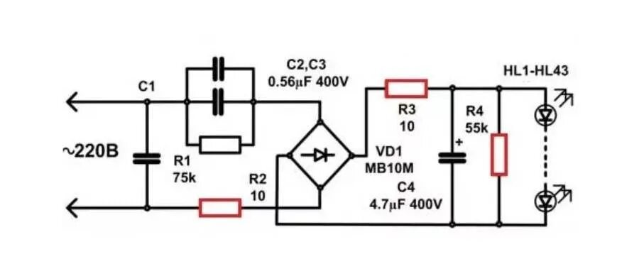
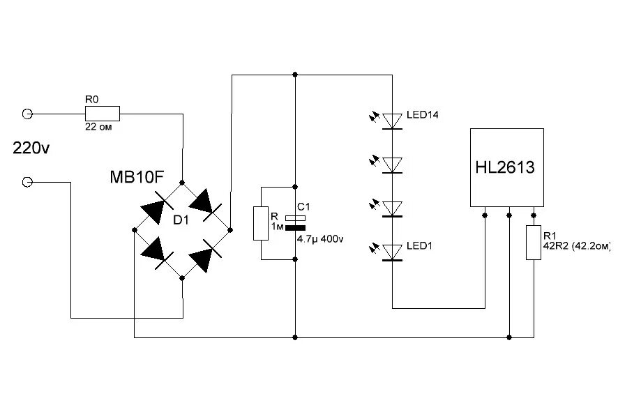
Схема лед лампы