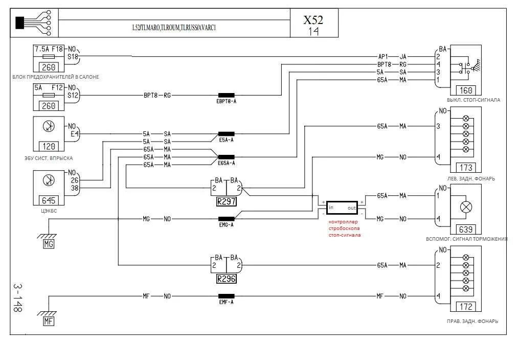
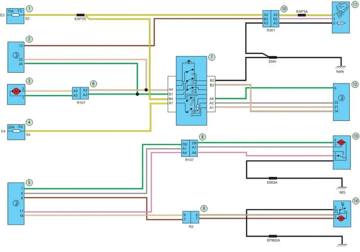
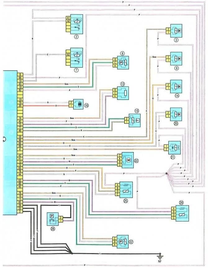
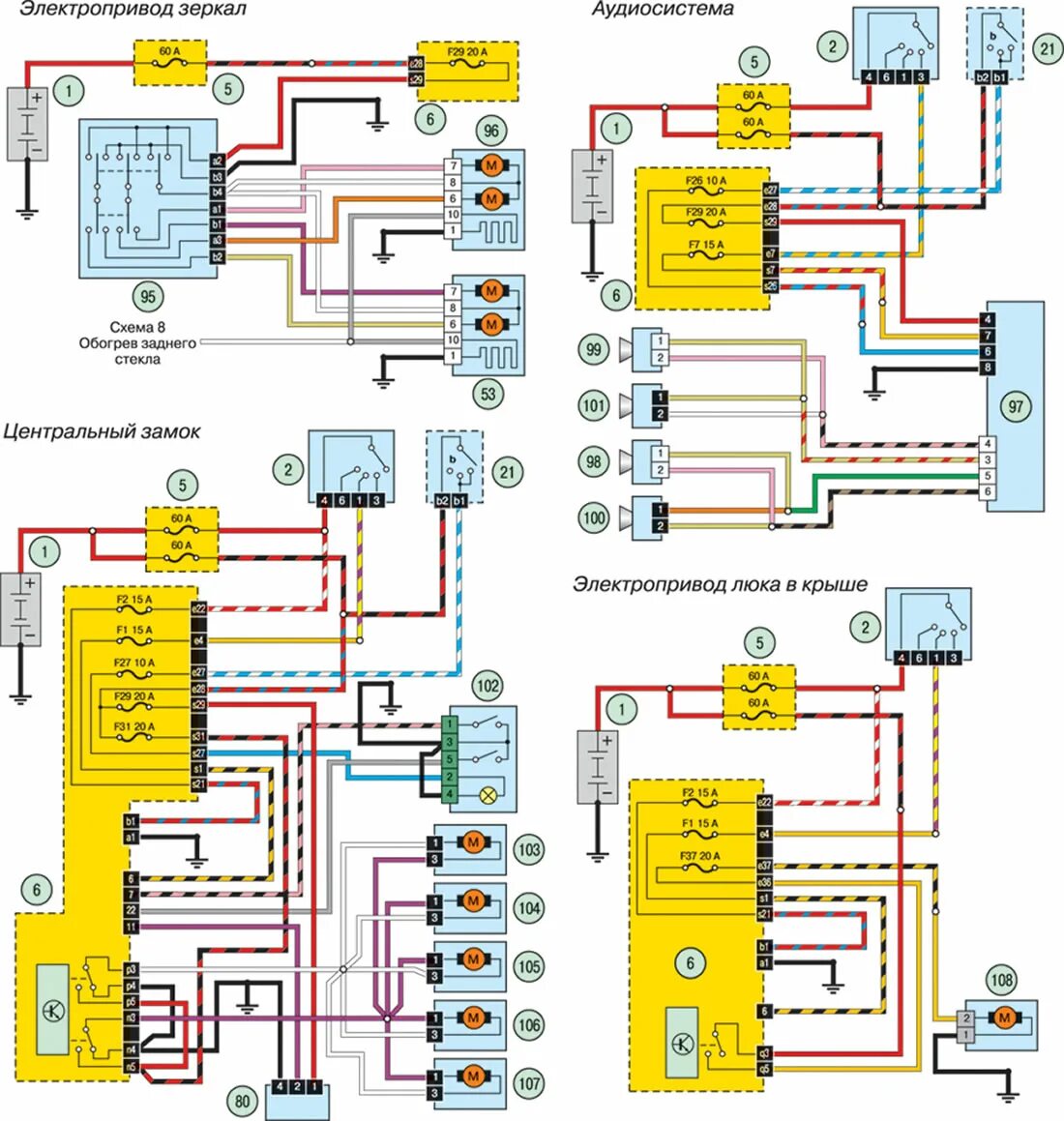
Схема логан 2