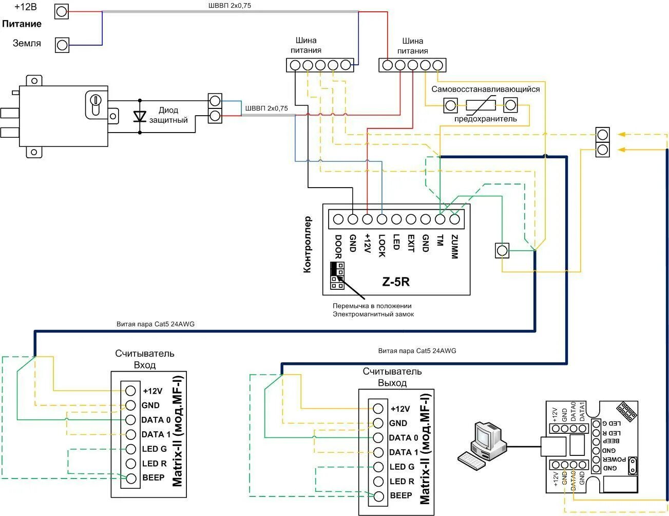
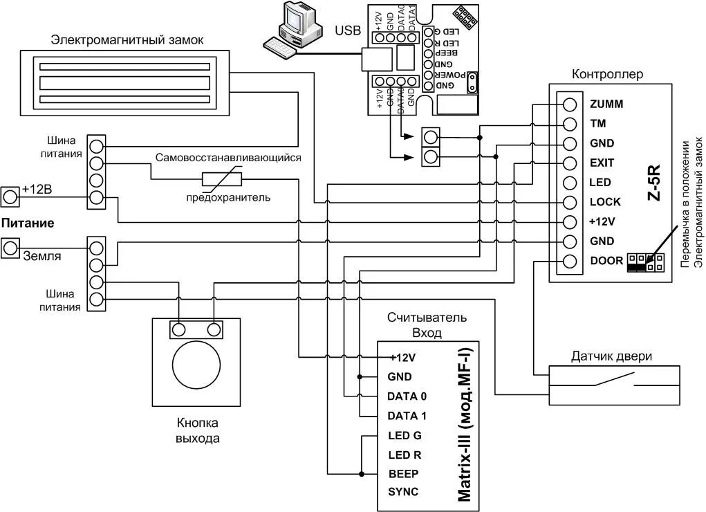
Схема магнитного ключа