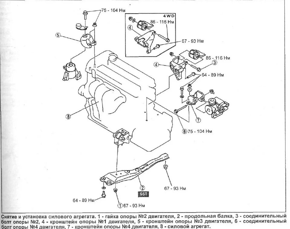
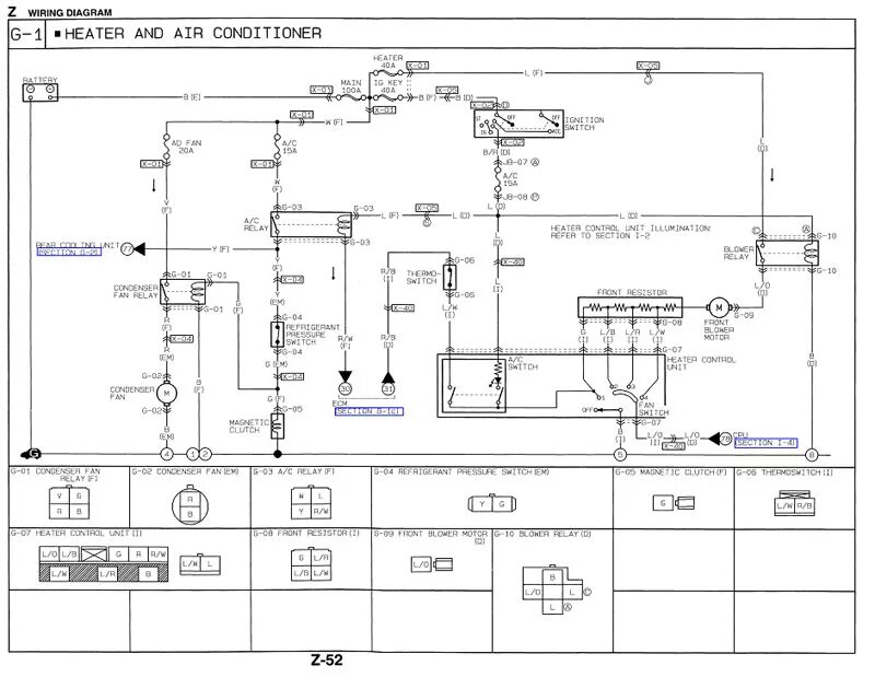
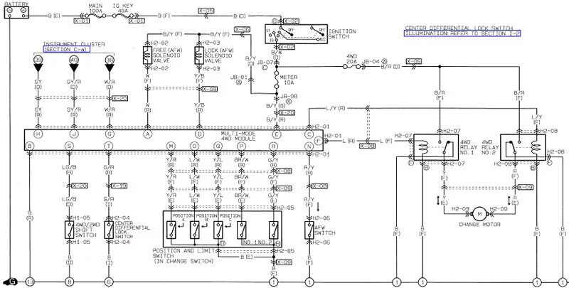
Схема мазды мпв