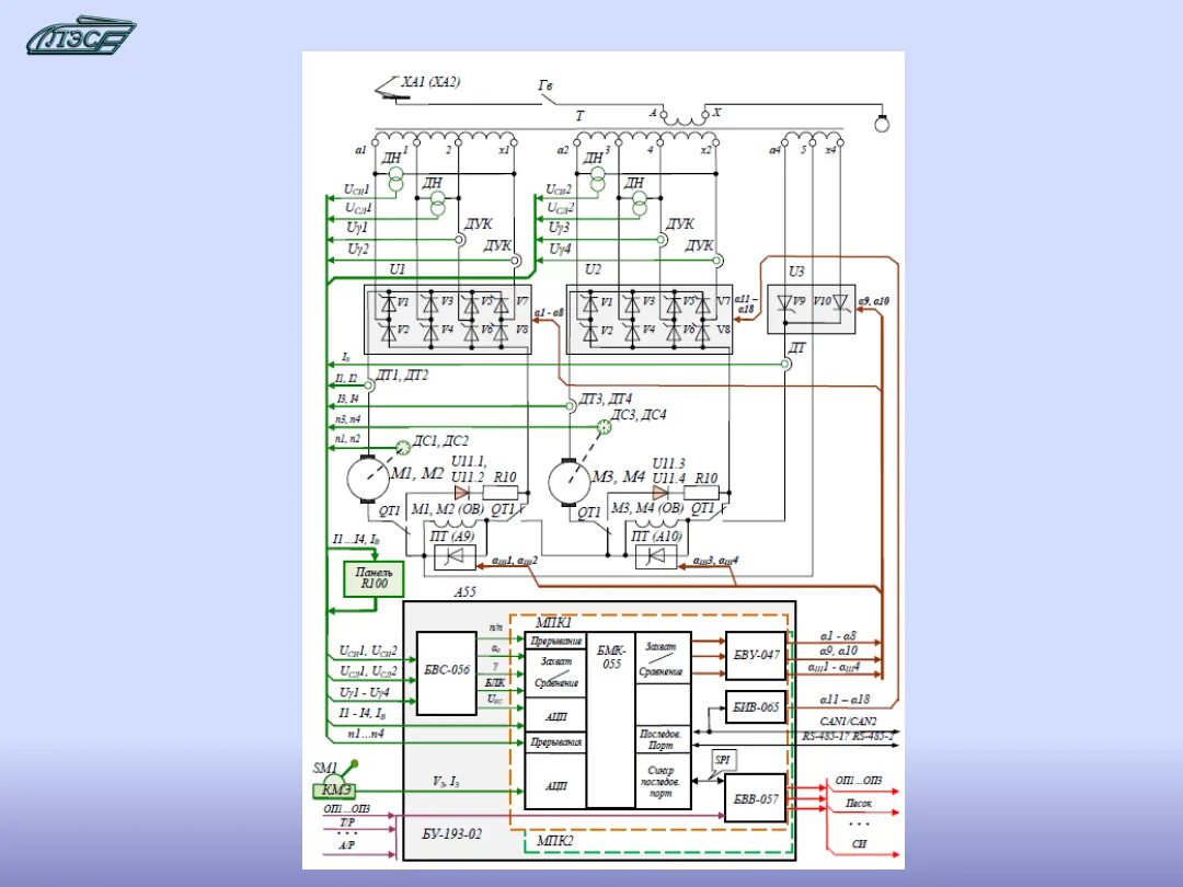
Схема мпк