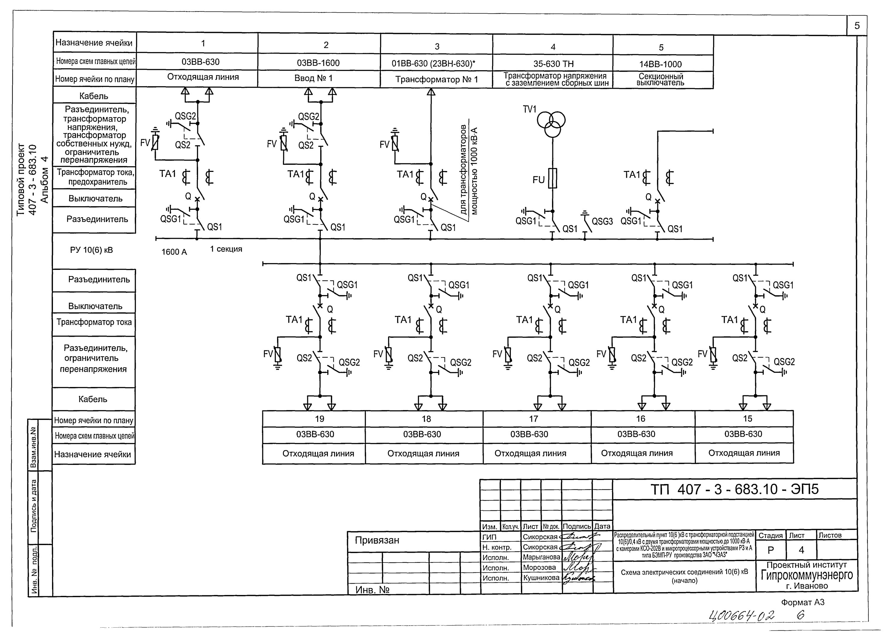
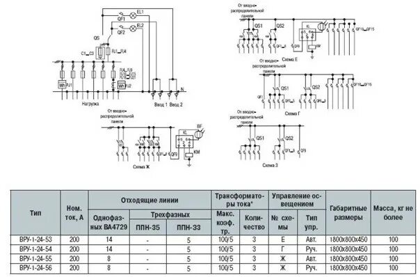
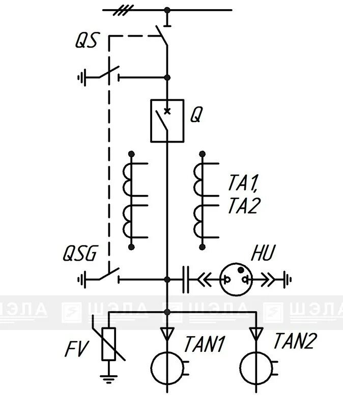
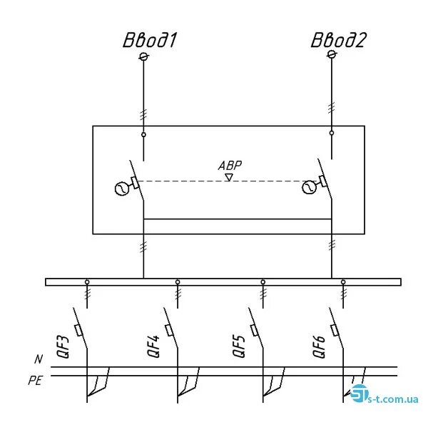
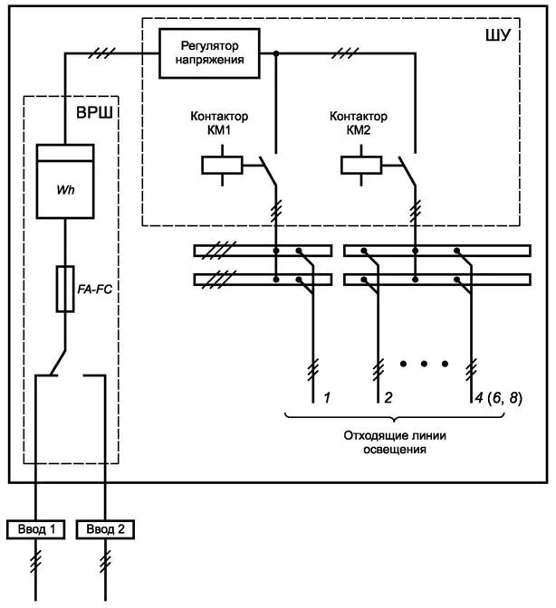
Схема отходящих линий