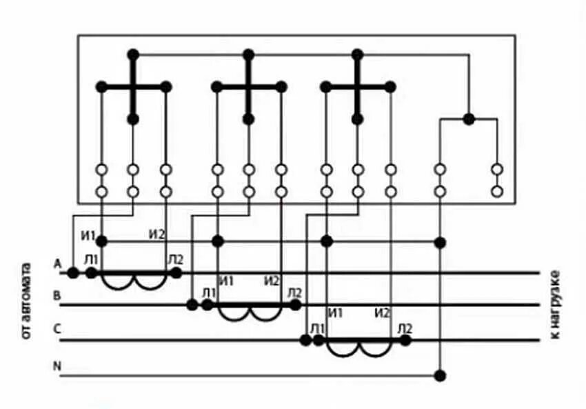
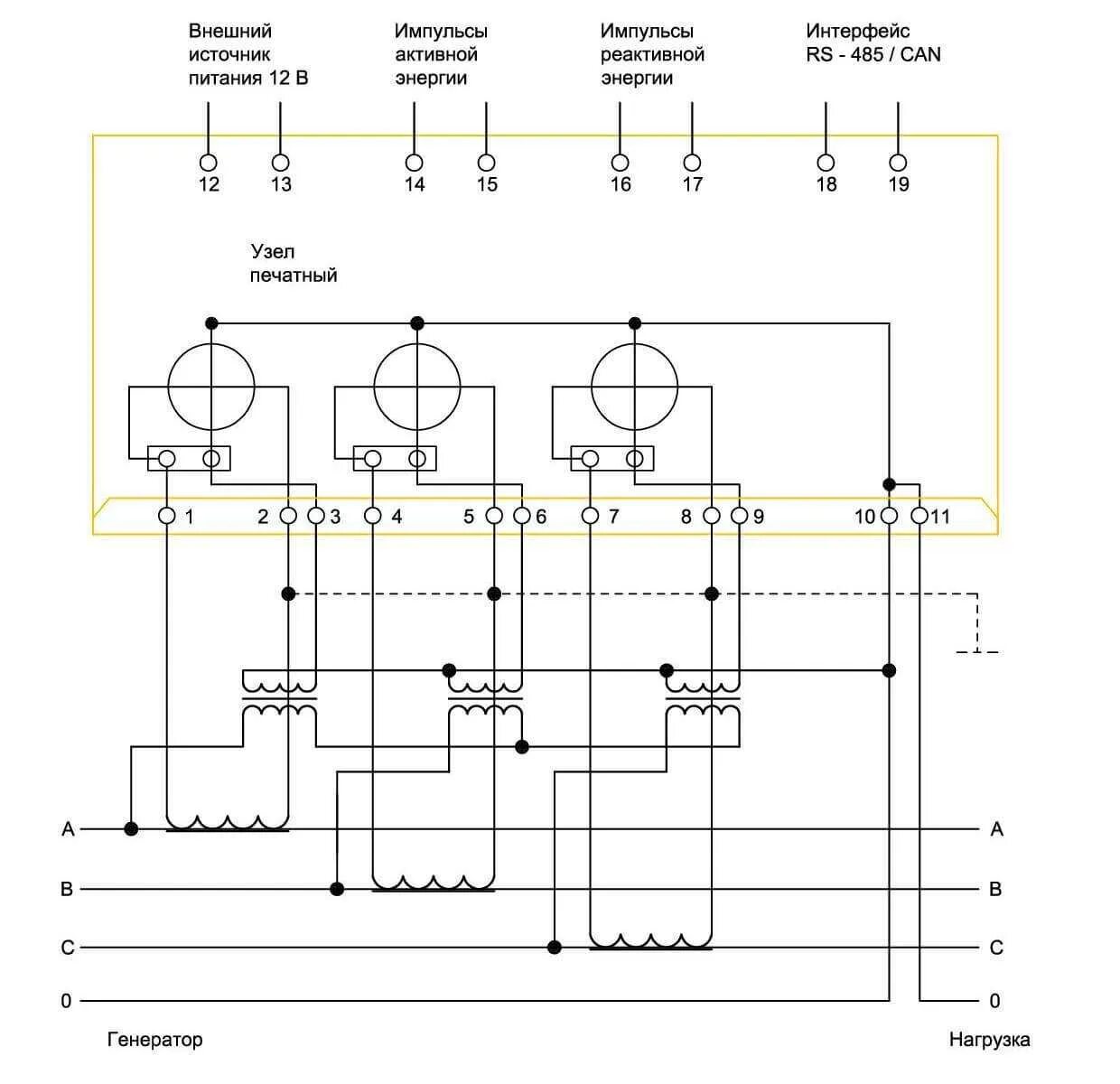
Схема подключения 3 х