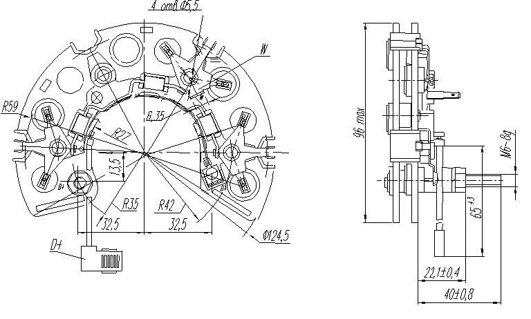
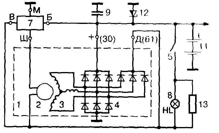
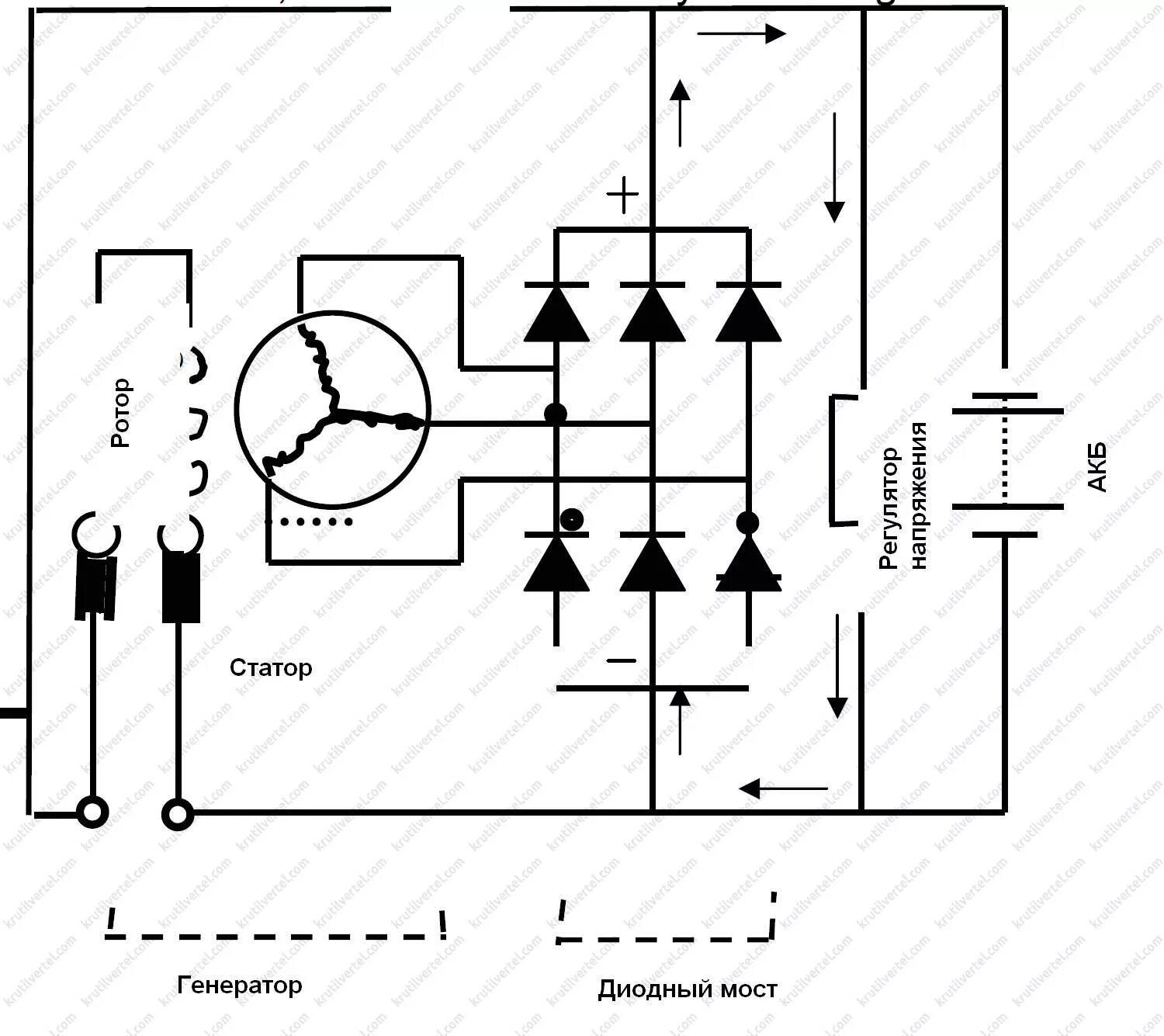
Схема подключения диодов генератора