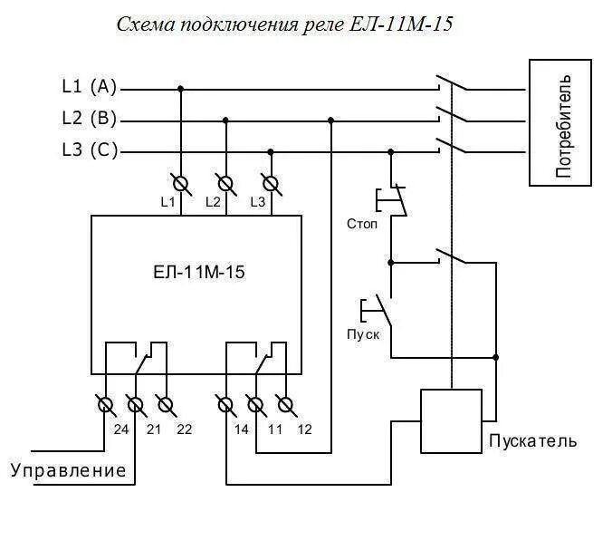
Схема подключения м