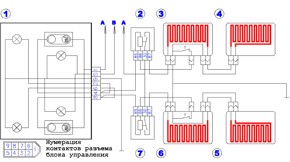
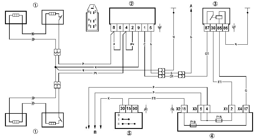
Схема подключения обогрева сидений ваз