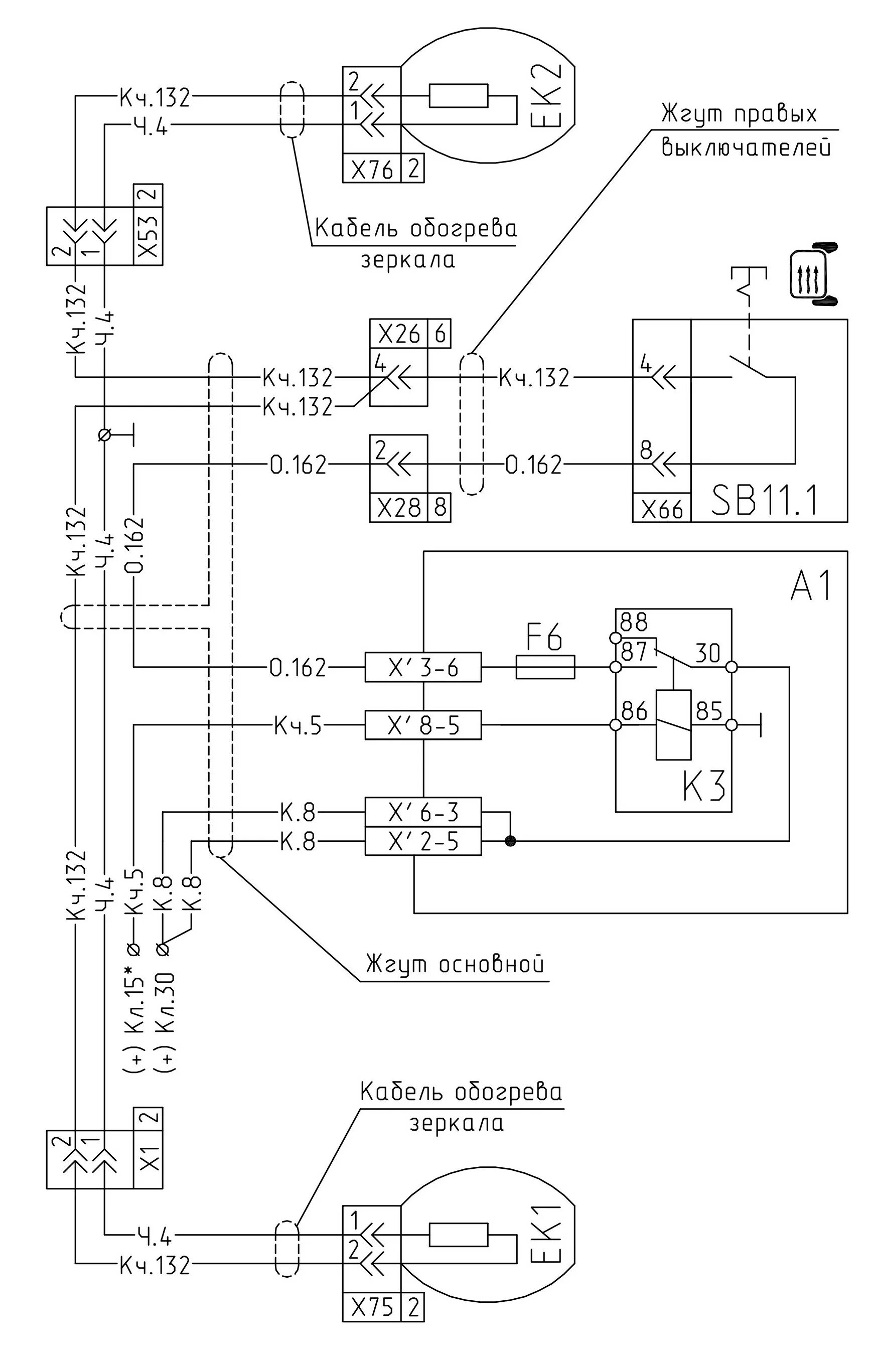
Схема подключения подогрева зеркал газель