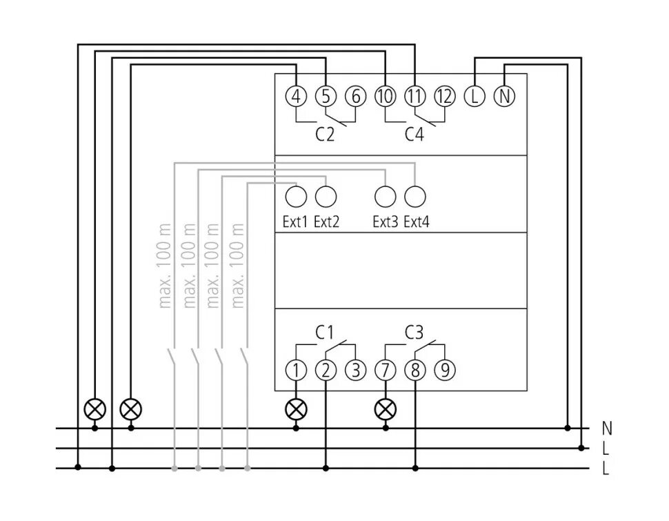
Схема подключения пример