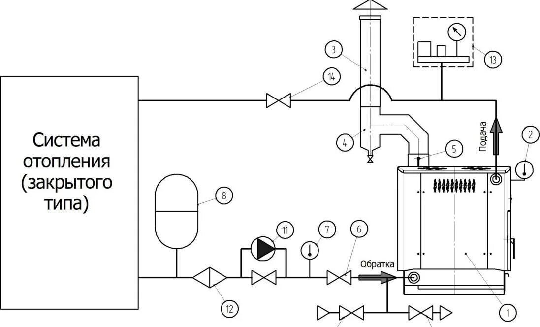
Схема подключения расширительного