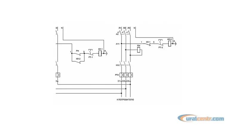
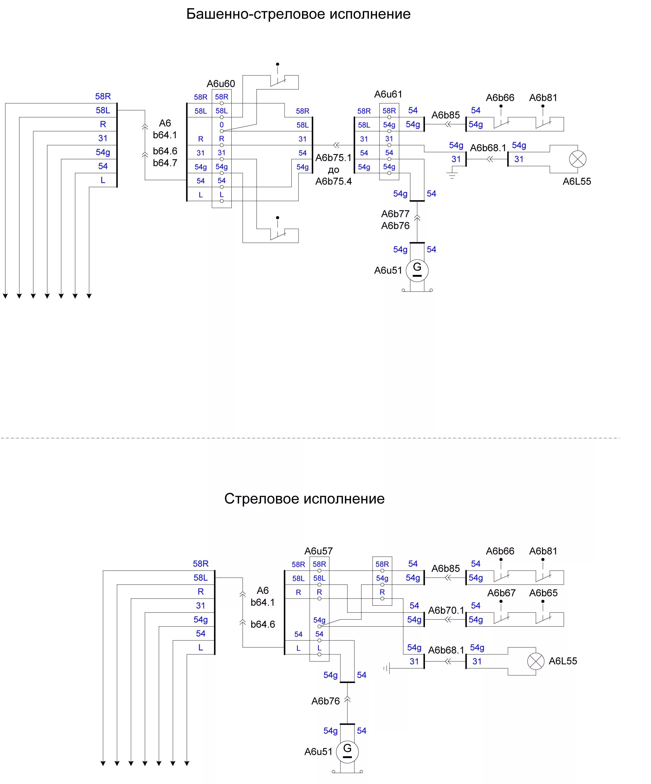
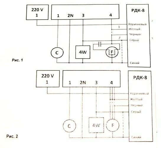
Схема подключения рдк