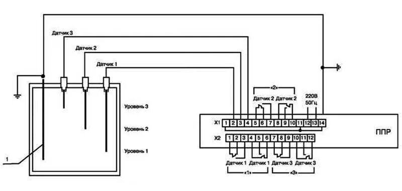
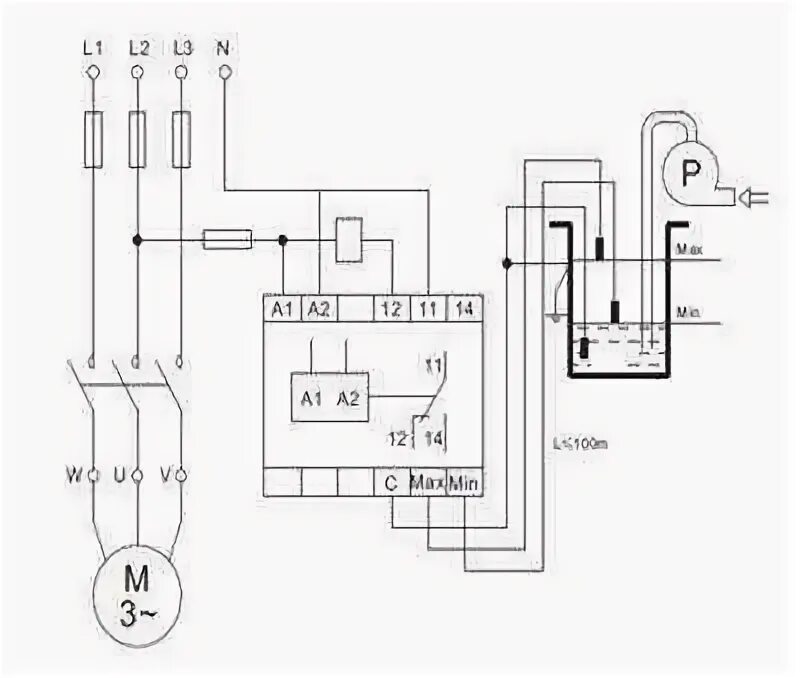
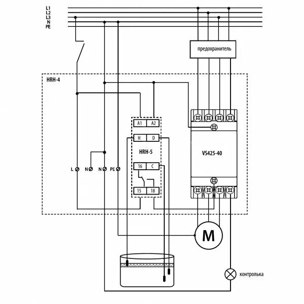
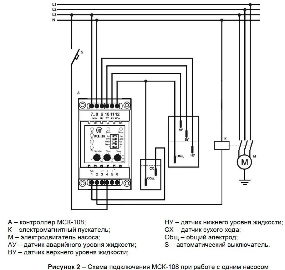
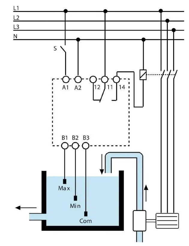
Схема подключения реле уровня