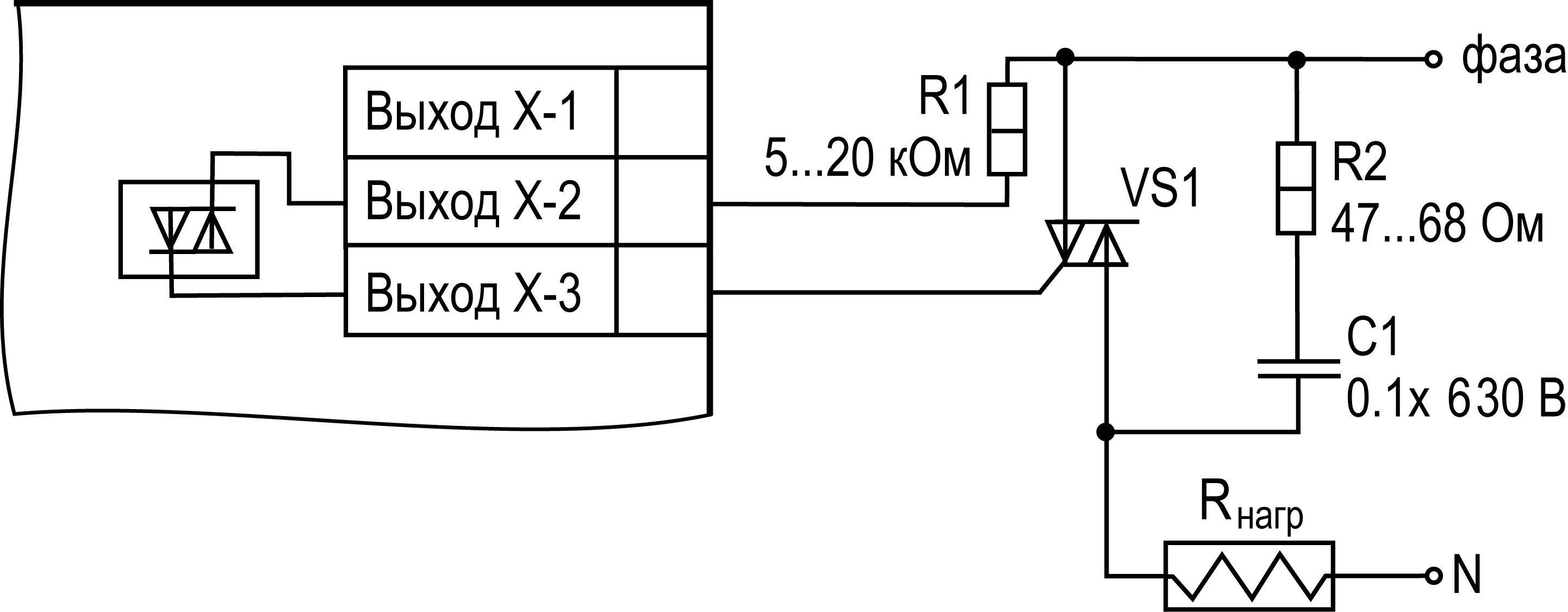
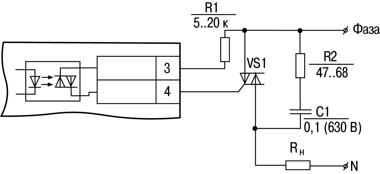
Схема подключения симистора