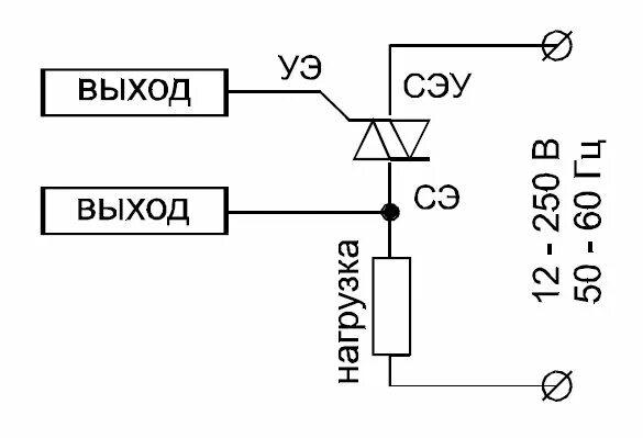
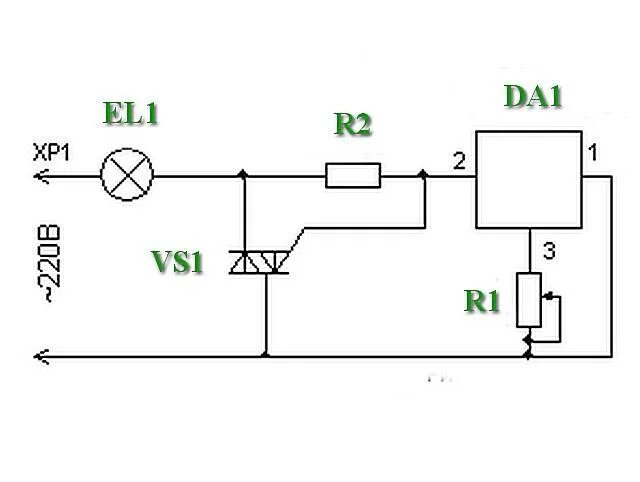
Схема подключения тс