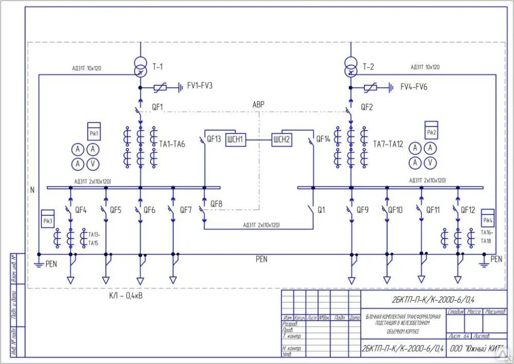
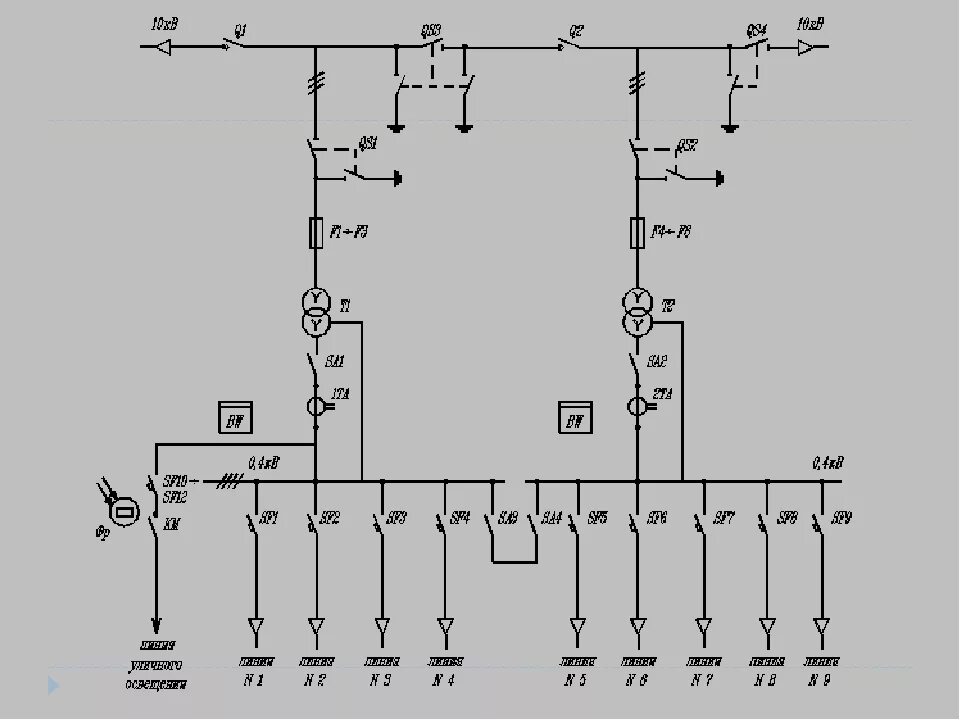
Схема подстанции 10 0.4