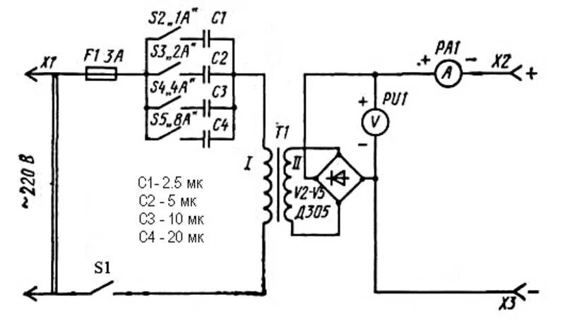
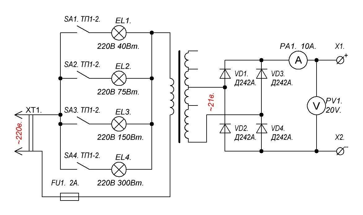
Схема простого зарядного устройства