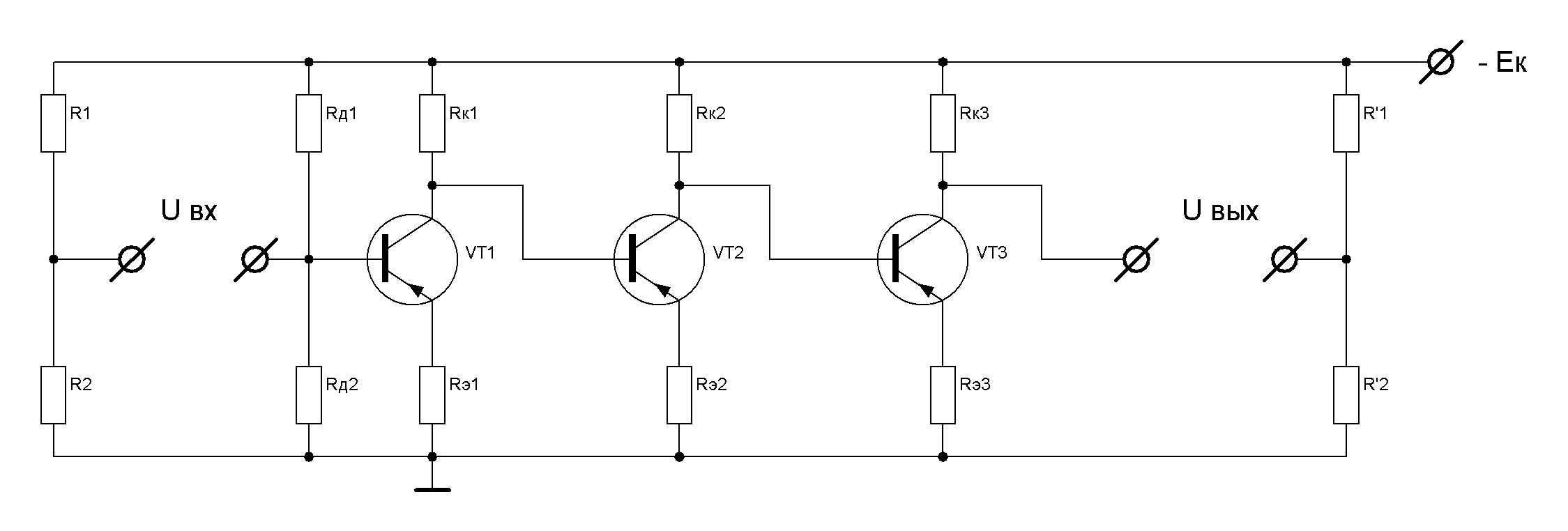
Схема прямого тока