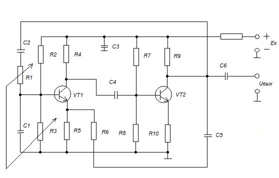
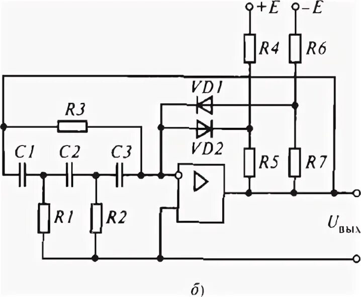
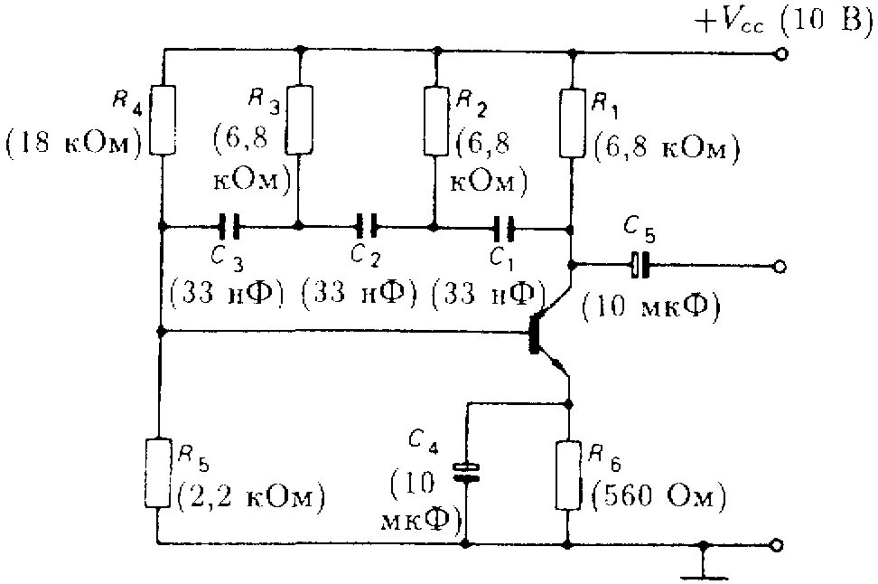
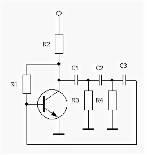
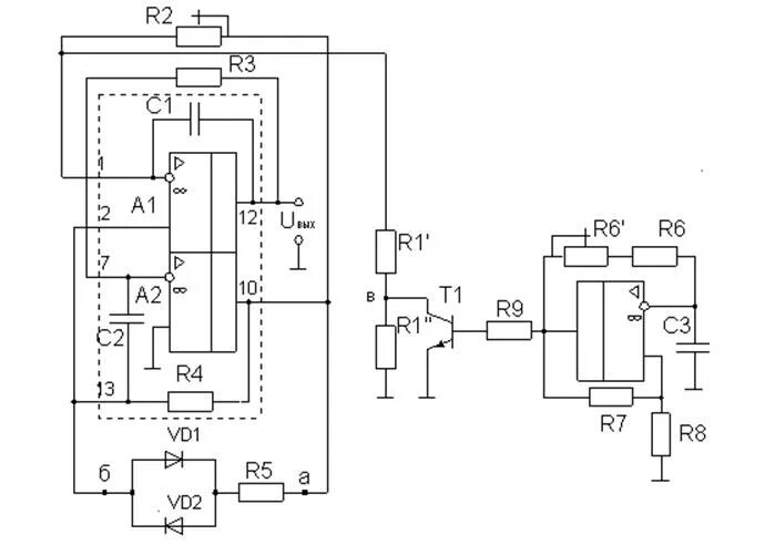
Схема rc генератора