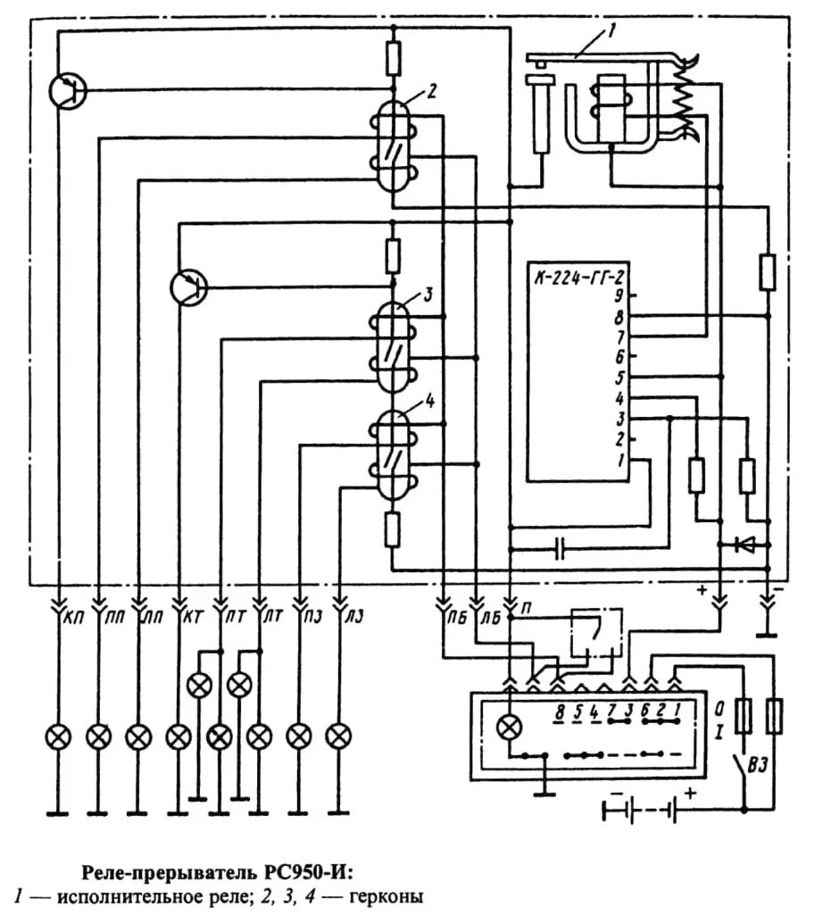
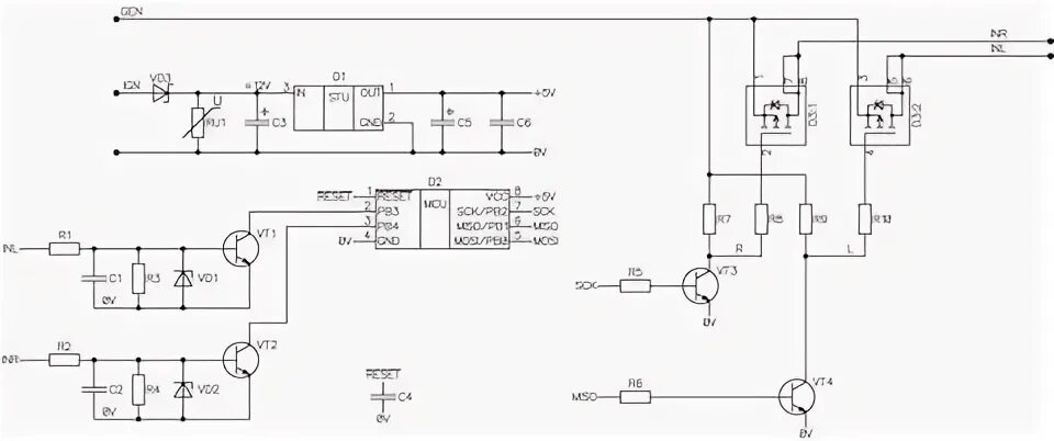
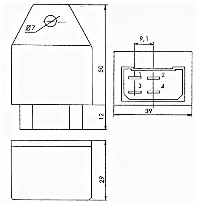
Схема реле поворотов уаз