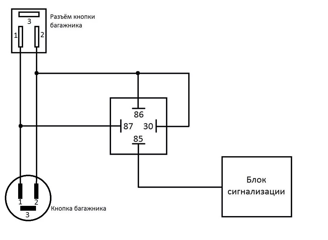
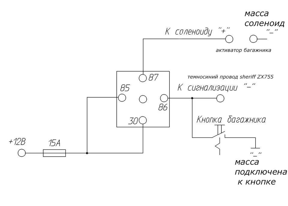
Схема реле сигнализации