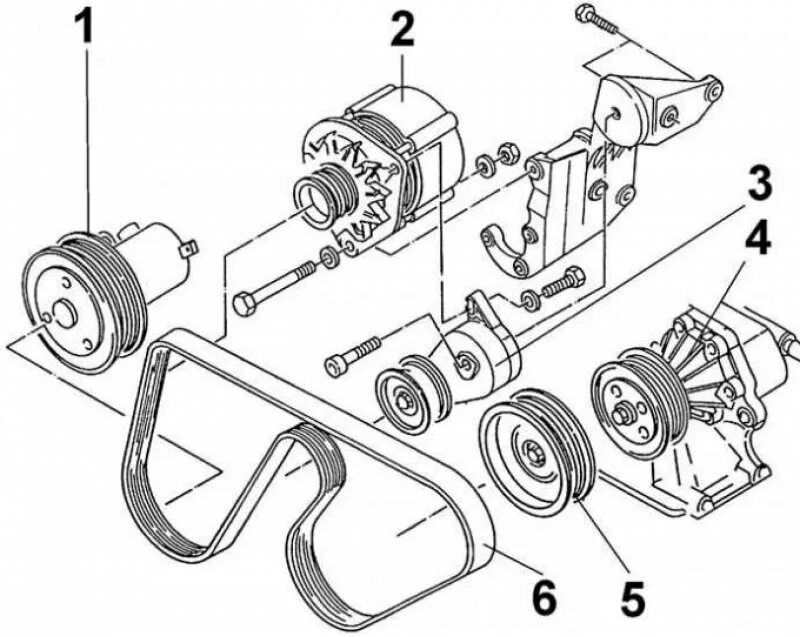
Схема ремня генератора нива шевроле