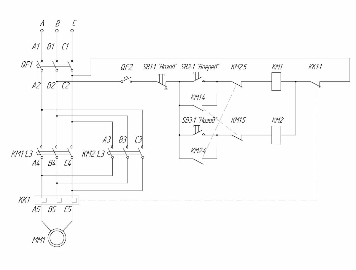
Схема реверсивного пуска