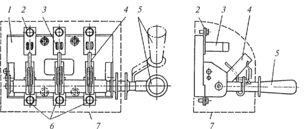
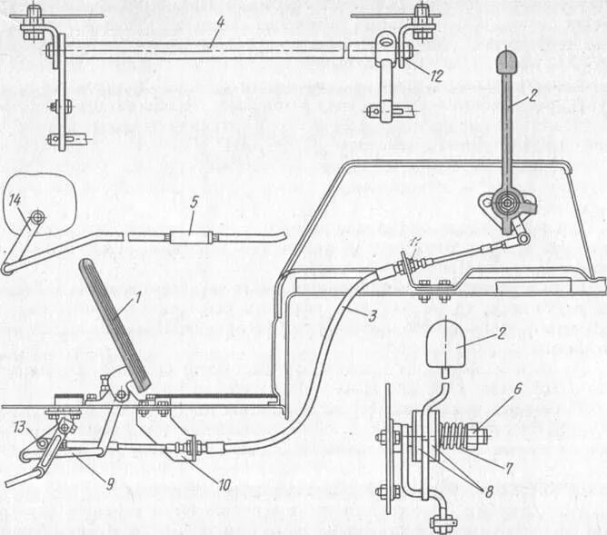
Схема ручного управления