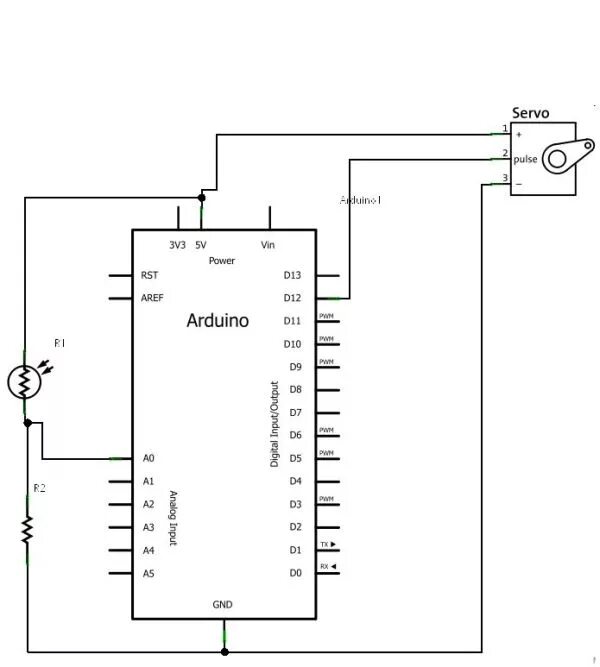
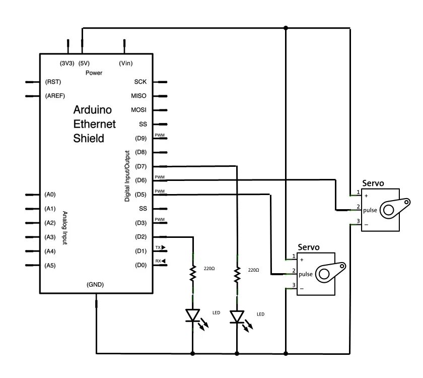
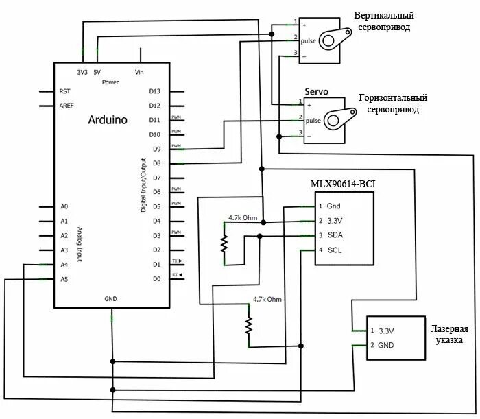
Схема сервопривода ардуино