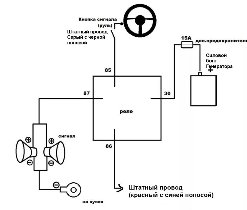
Схема сигналов волги